HUBSAN INTELLIGENT 502SRX HUBSAN FPV X4 DESIRE User Manual
SHENZHEN HUBSAN INTELLIGENT COMPANY LIMITED HUBSAN FPV X4 DESIRE
User Manual

®
ITEM NO: H502S
FLY WHEN NO GPS SETUP, SEE CAUTION ON PAGE 02
ARM/DISARM MOTORS, SEE PAGE 06
RTH FUNCTION, SEE PAGE 09-10
FOLLOW ME FUNCTION, SEE PAGE 10-11
COMPASS CALIBRATION, SEE PAGE 16
TRANSMITTER CALIBRATION, SEE PAGE 17
THE HUBSAN FPV
X4 DESIRE
READ THE INSTRUCTION MANUAL CAREFULLY
Ages 14+
PLEASE VISIT WWW.HUBSAN.COM TO UPGRADE

02 ©2016 Hubsan
哈博森科技 版权所有
IMPORTANT SAFETY NOTES
Hubsan FPV X4 Desire
2016.03
Please read the instruction manual carefully!
V1.0
OPERATION:
Flight:
Take responsiblity for the safety of yourself and others when flying the X4 !
Do not fly the X4 in crowded places.
Do not fly in bad weather.
Never try to catch the X4 while it is in flight.
This model is intended for experienced pilots age 14+.
Power off the X4 after flight to prevent the propellers from causing injuries.
Always remove the battery after you stop flying to avoid injuries from accidentally powering
on the motors.
Always take great caution to protect yourself when near the propellers. The flight system
will start after powering on regardless of the transmitter signal. The high speed propellers
are very dangerous.
Power off the X4 after every flight, otherwise the propellers may still rotate and cause injury.
Be extremely careful and responsible when using the drone. Small electronic components can
be damaged by crashing or by dropping the X4 into water. To avoid further damages, please
replace broken parts immediately.
0:08:49 M2
Exit
0:08:49
MAIN MENU
Set Reverse
Set Sensitivity
5.8G Frequency
Set Manual
Fly When no GPS
Show Version
Exit
M2
Fly When NO GPS
NO
For safety, the quadcopter is default set to CAN NOT FLY WHEN NO GPS. If you prefer to
fly when GPS is not available, please reset the value as instructed below before using.
Pull the throttle stick to the lowest position and press the Elevator stick for 1.5 seconds to
enter into the MAIN MENU interface. Push the Elevator stick up/down to select “Fly When
no GPS”, push the stick right to enter into the “ Fly When no GPS” interface, select “YES”.
The Default Setting is “NO”.
Select “Exit” to exit.
CAUTION:

03 ©2016 Hubsan
哈博森科技 版权所有
INTRODUCTION
1. ITEMS INCLUDED IN THE BOX
Check all the items in the box before using.
S/N Part Name Photos Q'ty Remarks
1 Quad copter 1PC Equipped with smart flight
controller,GPS and compass
Propeller A 4pcs, Propeller
B 4pcs
2 Propellers 8PCS
FPV: First Person View Function enables you to experience every live moment of the flight
from the drone's point of view.
FPV Transmitter (powered by
4 X AA battery -Not included)
3 Transmitter 1PC
Thank you for buying the HUBSAN product. It is designed as an easy-to-use,
multi-functional RC model, capable of hovering and acrobatic flight maneuvers.
Please read the manual carefully and follow all the instructions. Be sure to keep the
manual for future reference.
6 Screw-driver 1PC For removing propellers
47.4V Li-Po battery 1PC For quad copter
72PCS Disclaimer
Hubsan X4 Instruction Manual
User Manual
610mAh / 7.4V / 15C / 4.5Wh
5 1PCUSB Charger For Li-Po battery charging
Quadcopter Weight: 155g(including battery)

04
©2016 Hubsan
哈博森科技 版权所有
3. QUAD COPTER BATTERY
3.1 INTRODUCTION
The quad copter battery is a rechargeable Li-Po battery with 610mAh capacity and 7.4V voltage.
The battery should only be charged with the HUBSAN charger to avoid overcharge.
3.2 INSTALL THE BATTERY
Push the battery into the battery compartment correctly
and connect the battery plugs with the correct polarity.
Close the battery compartment cover.
3.3 CHARGING
Connect the battery to the USB charger, then connect the
USB charger to USB devices,
such as a computer or mobile power charger.
It takes around 120 minutes to fully charge the battery with
460~495mA current. The USB LED indicator blink slowly in
red when charging and will remain lighted when the battery
is fully charged. Please unplug the charger and battery
when the charging is completed.
Please make sure the battery is fully charged before first time use.
7.4V 610mAh 10C
2. QUAD COPTER MOTOR LED INDICATOR
Indicator Status:
Front LED: is blue; Back LED: is red.
1. Power on: 4 LED indicators blink simultaneously every 1.5 seconds.
2. Compass Calibration:
1). Horizontal calibration: 4 LED indicators blink circularly.
2). Vertical calibration: 4 LED indicators blink alternately.
3. GPS Flight: 4 LED indicators remain lighted.
4. GPS Return : 2 front LED remain lighted, and 2 back LED blink twice every second.
5. Headless Flight: 2 front LED blink twice every second, and 2 back LED remain lighted.
6. Photo: 2 front LED remain lighted, 2 back LED blink once.
7. Video: 2 front LED remain lighted, 2 back LED blink alternately.
8. LED indicators can be turned off when taking pictures and videos.
Please fully charge the batteries to avoid loss of control due to low voltage.
Risk of explosion if battery is replaced by an incorrect type.
Dispose of used batteries according to the local regulations.

05
©2016 Hubsan
哈博森科技 版权所有
4. PROPELLERS
Match the “I” mark on propellers to the “D” gap on
motor shafts when assembling, as figure 1 shows.
Attach the propellers to the corresponding motors that
are marked A and B,tighten the propellers and keep the
motors deadlocked with the screw-driver.
“I” Mark
“D”Gap
<Figure 1>
● Hazardous moving parts keep fingers and other body part away.
● Make sure that the A and B propellers are installed correctly. The X4 will not fly if
propellers are improperly installed.

06
©2016 Hubsan
哈博森科技 版权所有
5.1 FLIGHT ENVIRONMENT
(1) The flying area should be open and without tall buildings or other obstacles; the steel
structure within buildings interferes with the compass and the GPS signal.
(2) DO NOT fly in bad weather such as strong wind, heavy snow, rain or fog.
(3) Keep away from barriers, people, power cables, trees, and other obstructions.
(4) Do NOT fly near radio towers or airports.
(5) The X4 control system will not work properly at the South or North Pole.
(6) DO NOT fly in restricted areas and obey your country's laws and regulations.
5. START TO FLY
High Tension Line RainInterferenceAirport
5.3 ARM/ DISARM THE MOTORS
Arm the motors
Method : Pull the left stick to the left lowest corner and the right
stick to the right lowest corner as the picture shows. Release
both sticks after the motors are armed.
Disarm the motors
Method : Pull the left stick to the left lowest corner and the right
stick to the right lowest corner again, and release both sticks after the motors are disarmed.
Do not stop the motors during the flight to avoid crashing.
Push the sticks lightly. Release the sticks after the motors are armed or disarmed.
5.2 BINDING
The binding is completed in factory.
For re-binding, press Photo button and power on the transmitter until “Bind to Plane” displayed,
then power on the drone, and place it very close to the transmitter, the binding will be completed
after one “ beep” heard.
Should the binding failed, please power off the drone and repeat above steps.

07
©2016 Hubsan
哈博森科技 版权所有
5.4 BASIC FLIGHT
Transmitter (Model 2) X4 Remarks
The operation mode for the transmitter including Mode 1 or Mode 2. The manual will use Mode 2 as
an example to illustrate the transmitter’s operation.
The throttle stick controls the ascent and
descent .
Push up the stick and the X4 will ascend.
Pull down the stick and the X4 will descend.
When the stick is in the center, the X4 will hover
and hold its alititude automatically .
Move the throttle stick above the center position
to take off. (Move the stick gradually to prevent
the X4 from ascending too quickly.)
The Elevator stick moves the X4 forward and
backward.
Push the stick up the and the X4 will fly
forward.
Pull the stick down and the X4 will fly
backward.
When the stick is in the center, the X4 will hold
its position.
The angle of stick movement corresponds to
the angle of tilt and flight speed.
The Aileron stick controls left and right flight.
Push the stick to the left and the X4 will fly to
the left.
Push the stick to the right and the X4 will fly to
the right.
The X4 will keep the current status when the
stick is in the center.
The angle of stick movement corresponds to
the angle of tilt and flight speed.
UP
Down
The Rudder stick controls the rotate direction
Push the stick to the left and the X4 will rotate
counter-clockwise
Push the stick to the right and the X4 will rotate
clockwise.
When the stick is in the center,the X4 will keep
the current direction and not rotate.
Pushing harder will cause the X4 to rotate
faster in the corresponding directions.
Right rotation
Left rotation
Forward
Backward
Right
Left

08 ©2016 Hubsan
哈博森科技 版权所有
Insert the SD card into quadcopter before using Photo/Video function.
Press the Photo/Video button for 0.5 second to take photos.
Press the Photo/Video button for 0.5 second to take videos and press again to save the videos.
5.5 PHOTO/VIDEO
Stop recording before the SD card is removed.
PHOTO VIDEO
position 1 (upward)position 2 (downward)
Important Note: The GPS and RTH functions are only available
outdoors.Please make sure the two switches keep downward when
indoors.
The GPS Switch controls the position-hold
function.
In position 1 (up), the GPS function works.
In position 2 (down), the GPS function is
inactive.
For the Photo/Video function, always
power off the quadcopter and the
transmitter when inserting or removing
the SD card
The RTH Switch controls the automatic return
home function.
In position 1 (up), the RTH function works.
In position 2 (down), the RTH function is
inactive.
GPS Switch
Photo Button Video Button
RTH Switch
SD

09
©2016 Hubsan
哈博森科技 版权所有
The
Home Point is recorded when armed the motors with no less than 6 GPS satellites.
!The RTH MODE only works when the GPS mode is activated with no less than 6 satellites.
6.2 RTH MODE (RETURN TO HOME)
ENTER INTO RTH MODE
Push the GPS Switch and the RTH Switch up, and the quad copter will enter into RTH mode.
The flight control system will control the quad copter to fly back to the home point and land
automatically.
6.1 GPS POSITIONING/ HOME POINT SETTING
1.) GPS Positioning works ONLY when the GPS signal has no less than 6 satellites.
2.) Home Point is recorded when armed the motors with no less than 6 GPS satellites.
3.) You should be in an open place to search for the GPS satellites, it’ll take 3 mins to finish the
searching, and the GPS signal strength depends on the flying environment.
Push up the GPS switch to activate the GPS positioning.
Pull down the GPS switch to exit the GPS positioning (only altitude hold will be active).
6. ADVANCED PERFORMANCE SETUP
00:23:59
Altitute
GPS 6 N22.7914931 E:114.0479740
GPS 6 N:22.7914650 E:114.0479983
7.3V7.3V
00:00:00
S: 0.1m/s
H: 0.0m
D: 0.0m
R 0
P 0
H 247
GPS 6
GPS 6
00:23:59
Altitude
N22.7914931 E:114.0479740
N:22.7914650 E:114.0479983
7.3V 0.3m/s
1.5m
0m
R 0
P 0
H 247

10 ©2016 Hubsan
哈博森科技 版权所有
Pull down the RTH Switch, the X4 will exit the RTH Mode.
EXIT RTH MODE
Headless mode means the X4
will default any directions
(corresponding to the directions
of transmitter sticks) as the up ahead
when the mode is activated.
Follow Me Mode means the
drone follows the transmitter
automatically as it has
built-in GPS system.
Press the Throttle stick 0.5 second to switch on/ off headless mode.
Press the stick to enter into Headless Mode, indicated by two "beep" sounds and the
“Headless On” displays on the LCD.
Press the stick again to exit Headless Mode, indicated by one "beep" sound and the
”Headless Off” displays on the LCD.
MODE 2 MODE 1
MODE 2 MODE 1
6.3 HEADLESS MODE
6.4 FOLLOW ME MODE

11 ©2016 Hubsan
哈博森科技 版权所有
Press the Elevator stick for 0.5 second to switch on/ off follow me mode.
Press the stick to enter into the follow me Mode, indicated by two "beep" sounds, the
“ Follow On” displays on the LCD and the drone will turn and face the transmitter.
Press the stick again to exit follow me Mode, indicated by one "beep" sound and the
“ Follow Off” displays on the LCD .
!The follow me mode only works when the GPS (both on transmitter and on drone) has
no less than 6 satellites.
The follow me mode will be exited when you push/press any keys or sticks on transmitter.
CONDITIONS WHICH ACTIVATE THE FAILSAFE MODE
(1) Transmitter is powered off.
(2) The flight distance is beyond the range of the transmitter’s signal transmission.
(3) The transmitter’s signal was interrupted by some other strong electronic interference.
To ensure that the X4 can return safely to its home point when signal is lost, fly the
X4 in safe flight area.
If the quantity of GPS satellites drops below six for more than 20 seconds while the
X4 is returning home, the X4 will descend automatically.
The X4 will not avoid obstacles automatically while in failsafe mode.
6.5 FAILSAFE MODE
The quad copter will enter into failsafe mode when the connection is lost from the transmitter.
The flight control system will control the quad copter to return to the HOME POINT and land
automatically. The failsafe mode helps to aviod injuries or damages.

12
©2016 Hubsan
哈博森科技 版权所有
LCD
8 Photo
(MODE 1)
4 Elevator Trim
(2) Elevator/Rudder Stick
5 Rudder Trim
6 Throttle Trim
9 Video
(1) Throttle /Aileron Stick
7 Power SW
12 RTH SW11 GPS SW
12 RTH SW
11 GPS SW
3 Aileron Trim
LCD
8 Photo
(MODE 2)
4 Elevator Trim
2 Elevator/Aileron Stick
5 Rudder Trim
6 Throttle Trim 8 Video
1 Throttle /Rudder Stick
7 Power SW
3 Aileron Trim
10 Video glasses socket
No function 13 USB Plug
HOME
Voltage
Quad copter’s
battery capacity
Recording time
SD Card Transmitter’s
battery capacity
Trimming
The display keep updating according to different functions
(eg:GPS Hold,Return Home,Follow me, Expert)
Latitude&Longitude
Record/Camera
status
Tilt Angle
Pitch Angle
Nose Orientation
GPS Signal
Quad copter’s GPS
Transmitter’s GPS
00:23:59
Altitude
GPS 6 N22.7914931 E:114.0479740
GPS 6 N:22.7914650 E:114.0479983
7.3V
HOME
7. TRANSMITTER
R 0
P 0
H 247
0.3m/s
1.5m
0m
Speed
Height
Distance

13 ©2016 Hubsan
哈博森科技 版权所有
7.1 INPUT KEY FUNCTION
MODE 2
S/N Mode/ Control Function
MODE 1
(1)
Throttle/Aileron Stick
Push the stick forward or backward and the quadcopter will
ascend or decend; Push the stick left or right and the quadcopter
will fly left or right.
Push the stick forward or backward and the quadcopter will
ascend or decend; Push the stick left or right and the quadcopter
will rotate counter clockwise or clockwise.
MODE 1
(2)
Elevator/Rudder Stick
Push the stick forward or backward and the quadcopter will fly
forward or backward;Push the stick left or right and the quadcopter
will rotate counter clockwise or clockwise.
Push the stick forward or backward and the quadcopter will fly
forward or backward;Push the stick left or right and the quadcopter
will fly left or right.
3
Aileron Trim Aileron trim adjusts for left and right drift.
4
Elevator Trim Elevator trim adjusts for forward and backward drift.
5
Rudder Trim Rudder trim adjusts for drift of left and right rotation or yaw.
6
Throttle Trim Throttle trim is normally left at neutral. The lower trim turns LEDs
on and off.
7
Power Switch Push to turn on the transmitter. Push again to turn off.
MODE 2
2
Elevator /Aileron Stick
1
Throttle/ Rudder Stick
8
10
Photo
9
Video
Video glasses socket
Press the photo button to shoot photos.
Press video button to start recording and press again to stop.
Connect Hubsan video glasses (The video glass is not included)
13
USB plug For upgrading the software
11
GPS SW
Push the switch up, the bulit-in GPS will calculate the quad
copter’s position and height and help to keep the quad copter in a
stable hover (ONLY FOR OUTDOORS)
12
RTH SW Push the switch up, the quad copter will return to the home
point automatically ( ONLY FOR OUTDOORS)

14 ©2016 Hubsan
哈博森科技 版权所有
7.2 INSTALL THE TX BATTERY
7.3 REVERSING CHANNEL SETUP
If you would like to reverse any of the stick functions due to personal preference then follow
the instructions below. Be aware that it will change the controls back to front.
Pull the throttle stick to the lowest position and long press the Pitch stick simultaneously to
enter into MAIN MENU interface. Push the Elevator stick up/down to select “Set Reverse”.
Select “Exit” to exit.
7.4 SENSITIVITY SETUP
If you would like to change the sensitivity of any of the stick functions then follow the
instructions below.
Pull the throttle stick to the lowest position and long press the Elevator stick to enter into the
MAIN MENU interface. Push the Elevator stick up/down to select “Set Sensitivity”, push the
stick right to enter into the “ set sensitivity” interface, select “Expert mode” or “ Normal
mode”.
Select” Exit” to exit.
0:08:49
SET REVERSE
NormalRudder
Aileron Normal
Normal
M2
Exit
Elevator
0:08:49
MAIN MENU
Set Reverse
Set Sensitivity
5.8G Frequency
Set Manual
Fly When no GPS
Show Version
Exit
M2
● Do not mix old and new batteries ● Do not mix different types of batteries
● Do not charge non-rechargeable battery.
Close the cover
Remove the cover Install 4 x AA batteries
according to the correct polarities
PUSH PUSH

15 ©2016 Hubsan
哈博森科技 版权所有
1. When the power on the transmitter runs low, the red LED will blink quickly and the LCD
screen will turn black, also the transmitter and X4 may disconnect. Please replace with new
batteries.
2. If the batteries in the transmitter runs low while flying the X4, you can still control the X4,
please land the X4 and then replace batteries.
3. The Transmitter can only use 2S Lipo batteries, 4XAA batteries or NI-MH AA batteries,
other batteries will damage the Transmitter.
Notice:
7.5 MANUAL MODE SETUP
If you would like to make acrobatic flights, such as throwing, please switch off the GPS
function and follow the instruction below to enter into the Manual mode
Pull the throttle stick to the lowest position and long press the Elevator stick to enter into the
MAIN MENU interface. Push the Elevator stick up/down to select “Set Manual”, push the
stick right to enter into the “ SET MANUAL” interface, select “ON” (without altitude function)
or “OFF” (with altitude function).Select” Exit” to exit.
Sensitivity default setting is in Expert Mode.
The quadcopter can’t be disarmed when sensitivity value less than “60”.
0:08:49
MAIN MENU
Set Reverse
Set Sensitivity
5.8G Frequency
Set Manual
Fly When no GPS
Show Version
Exit
M2
0:08:49
MAIN MENU
Set Reverse
Set Sensitivity
5.8G Frequency
Set Manual
Fly When no GPS
Show Version
Exit
M2
0:08:49
SET SENSITIVE
Elevator :
Aileron :
Rudder :
100
100
100
M2
Exit
Expert mode
Manual Mode default setting is OFF.
0:08:49 M2
SET MANUAL
Exit
OFF

16 ©2016 Hubsan
哈博森科技 版权所有
Hold down the throttle stick
Flick the GPS switch quickly, the LCD
screen displays “Calib compass 1”
Rotate the X4 clock-wise
until the LCD screen displays
“Calib compass 2”
Put the X4 nose down and rotate
it counter clock-wise until
the ‘Calib compass 2” disappears
START
Calibration done
COMPASS CALIBRATION PROCEDURES
Please follow the calibrating procedures before the first flight.
1.) Hold the Throttle Stick fully down, flick the GPS switch quickly until the transmitter displays
"Calib compass 1"
2.) Rotate the X4 horizontally clock-wise until the LCD screen displays " Calib compass 2"
3.) Put the X4 nose down and rotate it vertically counter clock-wise until the " Calib compass 2"
on screen disappears.
4.) Calibration done.
8. COMPASS CALIBRATION
Do not calibrate the compass in a strong magnetic field
Do not carry ferromagnetic materials with you while calibrating the compass,
such as keys, cell phones, etc.
Compass calibration is required before the first time flight, otherwise the system may not work
properly. The compass is very sensitive to electromagnetic interference which can cause
abnormal compass data and lead to poor flight performance or even flight failure. Regular
calibration enables the compass is in optimum performance.

17 ©2016 Hubsan
哈博森科技 版权所有
The transmitter will automatically find the best frequency to ensure a live video with good
quality of transmission. Please re-select the frequency from 5730MHZ to 5845MHZ to get a
better video transmission when necessary.
Pull the throttle stick to the lowest position and press the Elevator stick for 1.5 second to enter
into the MAIN MENU interface. Push the Elevator stick up/down to select “5.8G Frequency”,
push the stick to the right to enter into the “ 5.8G frequency” interface, select a matched
frequency.
Mode 2: Push both sticks to the upper left corner and power on the transmitter
simultaneously,rotate both sticks in circles twice, then press any trim for 1.5 seconds until the
LED on the transmitter turns solid green which indicates a successful calibration.
Mode 1: Push the left stick to the upper left corner and the right stick to the upper right corner
and power on the transmitter simultaneously, rotate both sticks in circles twice, then press any
trim for 1.5 seconds until the LED on the transmitter turns solid green which indicates a
successful calibration.
!
5.8G FREQUENCY
0:08:49
Exit
5730MHZ
M2
0:08:49
MAIN MENU
Set Reverse
Set Sensitivity
5.8G Frequency
Set Manual
Fly When no GPS
Show Version
Exit
M2
9. TRANSMITTER CALIBRATION
10. FREQUENCY SELECTABLE 5.8GHZ
The transmitter mode can be shifted according to the above operation.

18 ©2016 Hubsan
哈博森科技 版权所有
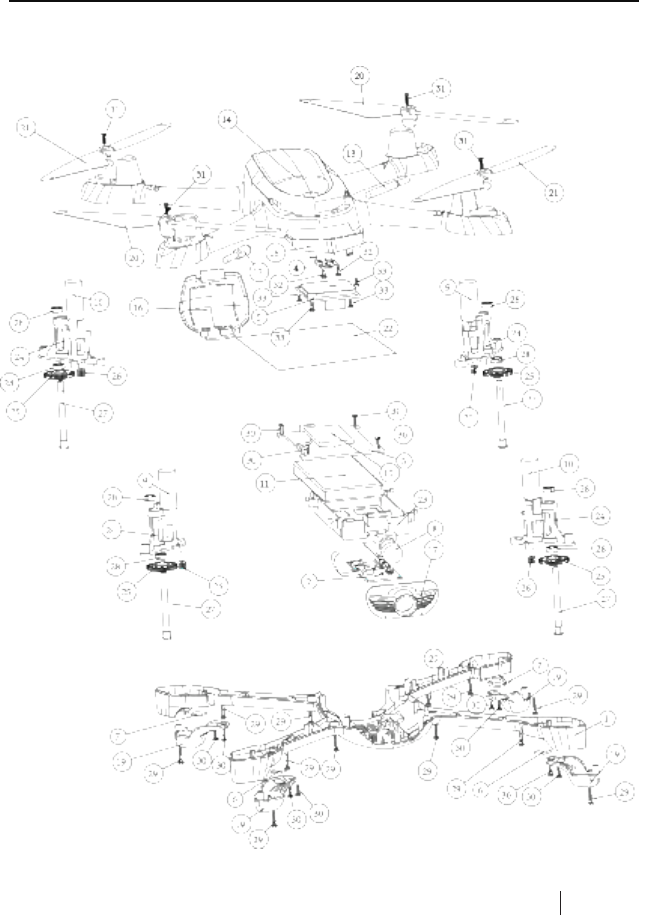
EXPLODED VIEW

19 ©2016 Hubsan
哈博森科技 版权所有
01
02
03
04
05
06
07
08
09
10
11
12
13
14
15
16
17
1
1
1
1
1
2
2
1
2
2
1
1
1
1
1
1
1
1
4
2
2
1
1
4
4
4
4
8
12
12
4
2
4
18
19
20
21
22
23
24
25
26
27
28
29
30
31
32
33
NO PART NAME QTY PART NAME QTY
Lower Body Shell
5.8 GHz Transmission Module
Main Control Board
Compass Module
GPS Module
Blue LED
Red LED
Camera Module
Motor A
Motor B
Li-Po Battery
5.8G Attenna
2.4G Attenna
Upper Body Shell
GPS Shielding Case
Battery Cover
Lens Holder
Eye Lampshade
Rubber Feet
Propeller A
Propeller B
Signal Isolation Membrane
Battery Compartment
Motor Holder
Rotary Gear
Motor Gear
Motor Shaft
Bearing
Screw
Screw
Screw
Screw
Screw

20 ©2016 Hubsan
哈博森科技 版权所有
H502S SPARE PART CHART
H502S-01
Body Shell Set
H502-01
Battery Cover
H502-02
Eye Lampshade
H502S-02
Lens Holder
H502-03
Lamp Base A/B
H502-04
Screw Set
H502S-03
Propeller A/B
H502-05
Motor A
H502-06
Motor B
H502-07
Motor Holder
H502-08
Bearing
H502-09
Motor Gear A
H502-10
Motor Gear B
H502-11
Motor Shaft
H502-12
LED Kit
H502-13
2.4G Module
H502S-06
Camera Module
720P
H502-14
GPS Module
H501S-13
Compass Module
H502S-05
Crash Pack
H502-21
Battery Pack
H502-16
Battery
H501S-15
TX
H502-18
USB Charger
H502-19
Screwdriver
H502S-04
Camera Module
1080P

21 ©2016 Hubsan
哈博森科技 版权所有
FCC INFORMATION
This equipment has been tested and found to comply with the limits for a Class B digital device,
pursuant to Part 15 of the FCC Rules. These limits are designed to provide reasonable protection
against harmful interference in a residential installation. This equipment generates, uses, and can
radiate radio frequency energy and, if not installed and used in accordance with the instructions, may
cause harmful interference to radio communications. However, there is no guarantee that interference
will not occur in a particular installation. If this equipment does cause harmful interference to radio or
television reception, which can be determined by turning the equipment off and on, the user is
encouraged to try to correct the interference by one or more of the following measures:
• Reorient or relocate the receiving antenna.
• Increase the separation between the equipment and receiver.
• Connect the equipment into an outlet on a circuit different from that to which the receiver is
connected.
• Consult the local dealer or an experienced radio/TV technician for help.
Changes or modifications not expressly approved by the party responsible for compliance could void
the user’s authority to operate the equipment.
This device complies with Part 15 of the FCC Rules. Operation is subject to the following two
conditions: (1) this device may not cause harmful interference, and (2) this device must accept any
interference received, including interference that may cause undesired operation.
ENVIRONMENTALLY FRIENDLY DISPOSAL
Old electrical appliances must not be disposed of together with the residual waste, but have to be disposed of
separately. The disposal at the communal collecting point via private persons is for free.
The owner of old appliances is responsible to bring the appliances to thise collecting
points or to similar collection points. With this little personal effort, you contribute to recycle
valuable raw materials and the treatment of toxic substances.

User manual is subject to change without prior notice due to
unforseen product upgrades.
Download the latest user manual from
WWW.HUBSAN.COM
VERSION 1.0 EN

21 ©2016 Hubsan
哈博森科技 版权所有
FCC INFORMATION
This equipment has been tested and found to comply with the limits for a Class B digital device,
pursuant to Part 15 of the FCC Rules. These limits are designed to provide reasonable protection
against harmful interference in a residential installation. This equipment generates, uses, and can
radiate radio frequency energy and, if not installed and used in accordance with the instructions, may
cause harmful interference to radio communications. However, there is no guarantee that interference
will not occur in a particular installation. If this equipment does cause harmful interference to radio or
television reception, which can be determined by turning the equipment off and on, the user is
encouraged to try to correct the interference by one or more of the following measures:
• Reorient or relocate the receiving antenna.
• Increase the separation between the equipment and receiver.
• Connect the equipment into an outlet on a circuit different from that to which the receiver is
connected.
• Consult the local dealer or an experienced radio/TV technician for help.
Changes or modifications not expressly approved by the party responsible for compliance could void
the user’s authority to operate the equipment.
This device complies with Part 15 of the FCC Rules. Operation is subject to the following two
conditions: (1) this device may not cause harmful interference, and (2) this device must accept any
interference received, including interference that may cause undesired operation.
ENVIRONMENTALLY FRIENDLY DISPOSAL
Old electrical appliances must not be disposed of together with the residual waste, but have to be disposed of
separately. The disposal at the communal collecting point via private persons is for free.
The owner of old appliances is responsible to bring the appliances to thise collecting
points or to similar collection points. With this little personal effort, you contribute to recycle
valuable raw materials and the treatment of toxic substances.