PBE Europe as Axell Wireless 55-1516SERIES 55-151-601 Cell Enhancer User Manual User handbook
Axell Wireless 55-151-601 Cell Enhancer User handbook
User handbook

Roseville Tunnel PCS Band Selective Repeater
User
Handbook
Handbook Nō.-55-151601HBK Issue No:-A
Date:-22/04/2005 Page:-
1 of 29
Roseville Tunnel Band Selective
PCS Repeater
User Handbook
For
AFL Inc.
AFL Works Order Nō.: Q112081
AFL product part Nō.: 55-151601

Roseville Tunnel PCS Band Selective Repeater
User
Handbook
Handbook Nō.-55-151601HBK Issue No:-A
Date:-22/04/2005 Page:-
2 of 29
Table of Contents
AMENDMENT
LIST
RECORD
SHEET ...................................................................................................3
INTRODUCTION.........................................................................................................................................4
Scope ........................................................................................................................................................................... 4
Purpose ....................................................................................................................................................................... 4
Glossary of Terms...................................................................................................................................................... 5
Key to AFL RF Module Drawing Symbols ............................................................................................................. 6
1.
SAFETY
CONSIDERATIONS.........................................................................................................7
1.1
Earthing of Equipment ................................................................................................................................ 7
1.2
Electric Shock Hazard.................................................................................................................................. 7
1.3
RF Radiation Hazard ................................................................................................................................... 8
1.4
Chemical Hazard .......................................................................................................................................... 9
1.5
Emergency Contact Numbers...................................................................................................................... 9
2.
SYSTEM
OVERVIEW....................................................................................................................10
3.
PCS
BAND-SELECTIVE
BDA.......................................................................................................11
3.P
System Photographs ................................................................................................................................... 11
3.1
Description .................................................................................................................................................. 12
3.2
Technical Specification............................................................................................................................... 12
3.3
Mechanical Specification............................................................................................................................ 13
3.4
System Drawings......................................................................................................................................... 14
3.5
Parts Lists.................................................................................................................................................... 15
4.
SUB-UNIT
MODULES....................................................................................................................16
4.1
Bandpass Filters (02-011505 & 02-011506) .............................................................................................. 16
4.1.1
Description ............................................................................................................................................... 16
4.1.2
Technical Specification............................................................................................................................. 16
5.
INSTALLATION .............................................................................................................................23
5.1
Initial Installation Record.......................................................................................................................... 23
6.
MAINTENANCE .............................................................................................................................24
6.1
General Procedures .................................................................................................................................... 24
6.1.1
Fault Finding............................................................................................................................................ 24
6.1.2
Downlink................................................................................................................................................... 25
6.1.3
Uplink ....................................................................................................................................................... 25
6.1.4
Fault repair............................................................................................................................................... 25
6.1.5
Checking service....................................................................................................................................... 26
6.1.6
Service Support......................................................................................................................................... 26
6.2
Tools & Test Equipment ............................................................................................................................ 26
6.3
Care of Modules.......................................................................................................................................... 27
6.3.1
General Comments ................................................................................................................................... 27
6.3.2
Module Removal (LNA’s, general procedure): ........................................................................................ 27
6.3.3
Module Replacement (general): ............................................................................................................... 27
6.3.4
Power Amplifiers ...................................................................................................................................... 27
6.3.5
Low Power Amplifier Replacement .......................................................................................................... 28
6.3.6
Module Transportation: ........................................................................................................................... 28
APPENDIX
A
INITIAL
EQUIPMENT
SET-UP
CALCULATIONS.................................................29

Roseville Tunnel PCS Band Selective Repeater
User
Handbook
Handbook Nō.-55-151601HBK Issue No:-A
Date:-22/04/2005 Page:-
3 of 29
AMENDMENT LIST RECORD SHEET
Issue
Nō.
Date Incorporated
by
Page No.’s
Amended
Reason for new issue
1 CMH 1
st
Issue
Document Ref:-

Roseville Tunnel PCS Band Selective Repeater
User
Handbook
Handbook Nō.-55-151601HBK Issue No:-A
Date:-22/04/2005 Page:-
4 of 29
INTRODUCTION
Scope
This handbook is for use solely with the equipment identified by the AFL Part Number
shown on the front cover. It is not to be used with any other equipment unless specifically
authorised by Aerial Facilities Limited.
Purpose
The purpose of this handbook is to provide the user/maintainer with sufficient information to
service and repair the equipment to the level agreed. Maintenance and adjustments to any
deeper level must be performed by AFL, normally at the company’s repair facility in
Chesham, England.
This handbook has been prepared in accordance with BS 4884, and AFL’s Quality
procedures, which maintain the company’s registration to BS EN ISO 9001:2000 and to the
R&TTE Directive of the European Parliament. Copies of the relevant certificates and the
company Quality Manual can be supplied on application to the Quality Manager.
This document fulfils the relevant requirements of Article 6 of the R&TTE Directive.
Limitation of Information Notice
This manual is written for the use of technically competent operators/service persons. No
liability is accepted by AFL for use or misuse of this manual, the information contained
therein, or the consequences of any actions resulting from the use of the said information,
including, but not limited to, descriptive, procedural, typographical, arithmetical, or listing
errors.
Furthermore, AFL does not warrant the absolute accuracy of the information contained
within this manual, or it’s completeness, fitness for purpose, or scope.
AFL has a policy of continuous product development and enhancement, and as such,
reserves the right to amend, alter, update and generally change the contents, appearance and
pertinence of this document without notice.
All AFL products carry a twelve month warranty from date of shipment. The warranty is
expressly on a return to base repair or exchange basis and the warranty cover does not extend
to on-site repair or complete unit exchange.

Roseville Tunnel PCS Band Selective Repeater
User
Handbook
Handbook Nō.-55-151601HBK Issue No:-A
Date:-22/04/2005 Page:-
5 of 29
Glossary of Terms
Repeater or
Cell Enhancer A Radio Frequency (RF) amplifier which can simultaneously
amplify and re-broadcast Mobile Station (MS) and Base
Transceiver Station (BTS) signals.
Band Selective Repeater A Cell Enhancer designed for operation on a range of channels
within a specified frequency band.
Channel Selective
Repeater A Cell Enhancer, designed for operation on specified channel(s)
within a specified frequency band. Channel frequencies may be
factory set or on-site programmable.
BTS Base Transceiver Station
C/NR Carrier-to-Noise Ratio
Downlink (D.L.) RF signals transmitted from the BTS and to the MS
Uplink (U.L.) RF signals transmitted from the MS to the BTS
EMC Electromagnetic Compatibility
GND Ground
DC Direct Current
AC Alternating Current
ID Identification Number
OIP3 Output Third Order Intercept Point = RF
out
+(C/I)/2
LED Light Emitting Diode
M.S. Mobile Station
N/A Not Applicable
N/C No Connection
NF Noise Figure
RF Radio Frequency
Rx Receiver
Tx Transmitter
S/N Serial Number

Roseville Tunnel PCS Band Selective Repeater
User
Handbook
Handbook Nō.-55-151601HBK Issue No:-A
Date:-22/04/2005 Page:-
6 of 29
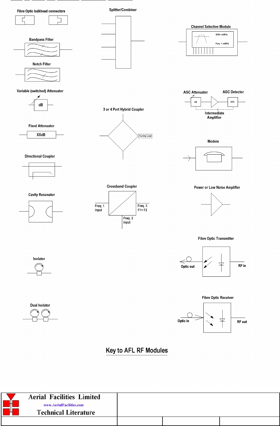
Key to AFL RF Module Drawing Symbols

Roseville Tunnel PCS Band Selective Repeater
User
Handbook
Handbook Nō.-55-151601HBK Issue No:-A
Date:-22/04/2005 Page:-
7 of 29
1. SAFETY CONSIDERATIONS
1.1 Earthing of Equipment
Cell Enhancers supplied from the mains must be connected to grounded outlets and earthed
in conformity with appropriate local, national and international electricity supply and safety
regulations.
1.2 Electric Shock Hazard
Electrical shocks due to faulty mains driven power supplies.
Whilst ever potentially present in any electrical equipment, such a condition would be
minimised by quality installation practice and thorough testing at:
a) Original assembly
b) Commissioning
c) Regular intervals, thereafter.
All test equipment to be in good working order prior to its use. High current power supplies
can be dangerous because of the possibility of substantial arcing. Always switch off during
disconnection and reconnection.

Roseville Tunnel PCS Band Selective Repeater
User
Handbook
Handbook Nō.-55-151601HBK Issue No:-A
Date:-22/04/2005 Page:-
8 of 29
1.3 RF Radiation Hazard
RF radiation, (especially at UHF frequencies) arising from transmitter outputs connected to
AFL’s equipment, must be considered a safety hazard.
This condition might only occur in the event of cable disconnection, or because a ‘spare’
output has been left unterminated. Either of these conditions would impair the system’s
efficiency. No investigation should be carried out until all RF power sources have been
removed. This would always be a wise precaution, despite the severe mismatch between the
impedance of an N type connector at 50Ω, and that of free space at 377Ω, which would
severely mitigate against the efficient radiation of RF power. Radio frequency burns could
also be a hazard, if any RF power carrying components were to be carelessly touched!
Antenna positions should be chosen to comply with requirements (both local & statutory)
regarding exposure of personnel to RF radiation. When connected to an antenna, the unit is
capable of producing RF field strengths, which may exceed guideline safe values especially if
used with antennas having appreciable gain. In this regard the use of directional antennas with
backscreens and a strict site rule that personnel must remain behind the screen while the RF
power is on, is strongly recommended.
Where the equipment is used near power lines, or in association with temporary masts not
having lightning protection, the use of a safety earth connected to the case-earthing bolt is
strongly advised.

Roseville Tunnel PCS Band Selective Repeater
User
Handbook
Handbook Nō.-55-151601HBK Issue No:-A
Date:-22/04/2005 Page:-
9 of 29
1.4 Chemical Hazard
Beryllium Oxide, also known as Beryllium Monoxide, or Thermalox™, is sometimes used in
devices within equipment produced by Aerial Facilities Ltd. Beryllium oxide dust can be toxic
if inhaled, leading to chronic respiratory problems. It is harmless if ingested or by contact.
Products that contain beryllium are load terminations (dummy loads) and some power
amplifiers. These products can be identified by a yellow and black “skull and crossbones”
danger symbol (shown above). They are marked as hazardous in line with international
regulations, but pose no threat under normal circumstances. Only if a component containing
beryllium oxide has suffered catastrophic failure, or exploded, will there be any danger of the
formation of dust. Any dust that has been created will be contained within the equipment
module as long as the module remains sealed. For this reason, any module carrying the yellow
and black danger sign should not be opened. If the equipment is suspected of failure, or is at
the end of its life-cycle, it must be returned to Aerial Facilities Ltd for disposal.
To return such equipment, please contact the Quality Department, who will give you a
Returned Materials Authorisation (RMA) number. Please quote this number on the packing
documents, and on all correspondence relating to the shipment.
PolyTetraFluoroEthylene, (P.T.F.E.) and P.T.F.E. Composite Materials
Many modules/components in AFL equipment contain P.T.F.E. as part of the RF insulation
barrier.
This material should never be heated to the point where smoke or fumes are evolved. Any
person feeling drowsy after coming into contact with P.T.F.E. especially dust or fumes should
seek medical attention.
1.5 Emergency Contact Numbers
The AFL Quality Department can be contacted on:
Telephone +44 (0)1494 777000
Fax +44 (0)1494 777002
e-mail qa@aerial.co.uk

Roseville Tunnel PCS Band Selective Repeater
User
Handbook
Handbook Nō.-55-151601HBK Issue No:-A
Date:-22/04/2005 Page:-
10 of 29
2. SYSTEM OVERVIEW
The AFL Band Selective Cell Enhancer is a 2-way on-band repeater. Various models are
available to cover frequency bands from 50MHz to 3000MHz with power levels up to 100Watts.
Its main sphere of applications is in urban areas where the topology is such that shadows occur in
the propagation pattern (for example within large buildings, conference centres and tunnels, etc.)
The Band Selective Cell Enhancer is a 2-port device for direct connection to two antennas,
usually a highly directional Yagi or similar aligned towards the base (donor) site and an omni-
directional or leaky feeder antenna to cover the mobiles. The frequency bands that are passed by
the Cell Enhancer are set as per the specific customer requirements.
Each active module carries its own volt-free, alarm relay contact interface which may be easily
integrated into any such summary system. A comprehensive range of RS232/422 computer
controlled alarms/monitors for band selective and channelised systems is also available.
AFL manufacture a wide range of Cell Enhancers, configured for each customer's specific
requirements. Two basic physical variants are available, a rack mounted version to fit in a
standard 19" rack and an environmentally sealed wall mounted version which requires no further
enclosure.
The rack-mounted version is usually supplied in 3 units, a power supply unit and 2 RF units (one
containing each path). Each unit has a ‘D.C. on’ indicator on the front panel and the PSU also has
an ‘A.C. on’ indicator.
The wall-mounted version is supplied in a single environmentally-protected case. Handles are
provided for carrying the unit and the door is fitted with locks. A supply isolator switch is fitted
inside the unit and there are D.C. and Alarm on indicators on the outside of the door.

Roseville Tunnel PCS Band Selective Repeater
User
Handbook
Handbook Nō.-55-151601HBK Issue No:-A
Date:-22/04/2005 Page:-
11 of 29
3. PCS BAND-SELECTIVE BDA
3.P System Photographs

Roseville Tunnel PCS Band Selective Repeater
User
Handbook
Handbook Nō.-55-151601HBK Issue No:-A
Date:-22/04/2005 Page:-
12 of 29
3.1 Description
The band selective (no channelisation) tunnel amplifier is directly connected to an air
interface antenna directed towards the base station and a leaky feeder antenna to cover the
mobiles in the tunnel. The downlink power is 20Watts, provided by a pair of parallel
configured 10W amplifiers, and the uplink power device is a single 1W amplifier, which is
sufficient power for ample communications with the base station.
Automatic gain control is featured in both paths to prevent overloading of the input stages
should a mobile be operated close to the antennas.
A built-in current fault alarm system monitors each active device in the system and outputs a
summary volt-free, relay contact pair suitable for integrating into any existing alarm loop
system.
3.2 Technical Specification
PARAMETER SPECIFICATION
1930-1990MHz (Downlink)
Frequency range: 1850-1910MHz (Uplink)
Bandwidth: 60MHz
Passband ripple: ±1.5dB
Gain: >85dB
Gain Adjustment: 0 - 30dB (in 2dB steps, both paths)
Uplink Power: >1.0Watts
Downlink Power: >20.0Watts
Uplink: +40dBm
IP3: Downlink: +52.5dBm
+41.5dBm (downlink)
1dB compression point: +29dBm (uplink)
Noise Figure: <6dB (@max gain)
+40dBm (downlink)
AGC: +28dBm (uplink)
VSWR: better than 1.5:1
RF Connectors: N type, female
operational: -10°C to +60°C
Temperature range: storage: -40°C to +70°C
Alarms Fitted:
(volt-free relay contacts/TTL) 1 Amplifiers (U/L & D/L)

Roseville Tunnel PCS Band Selective Repeater
User
Handbook
Handbook Nō.-55-151601HBK Issue No:-A
Date:-22/04/2005 Page:-
13 of 29
3.3 Mechanical Specification
PARAMETER SPECIFICATION
Height: 620mm
Width: 420mm
Case size
Depth: 250mm
(excluding heatsinks, connectors, handles and feet)
Fixings: 4 holes on 470(w) x 500(h)mm
operational: -10°C to +60°C Temperature
Range: storage: -40°C to +70°C
Weight: 35kg (approximately)
RF Connectors: N type female
Environmental Protection: IP65 (with door closed and all ports terminated)
Case: To RAL 7035
Heatsinks: Matt black (where fitted)
Finish:
Handles: Black Technopolymer
Supply Cable: Unit supplied with suitable supply input leads with
connector and appropriate length of cable

Roseville Tunnel PCS Band Selective Repeater
User
Handbook
Handbook Nō.-55-151601HBK Issue No:-A
Date:-22/04/2005 Page:-
14 of 29
3.4 System Drawings
30dB
15dB 30dB
40dB
dB
dB
BASE MOBILE
30dB
dB
17-001201
11-001109
AGC
DET
AGC
DET
dB
30dB
12-017301
11-006302 11-008201 11-008201
11-00820111-008201
17-001109
17-001201
10-001204
10-001204
02-011505 02-011505
02-011506 02-011506
02-011505
02-011506
02-011505
02-011506
16dB
11-007202
40dB
05-002601
05-002601
12-017301

Roseville Tunnel PCS Band Selective Repeater
User
Handbook
Handbook Nō.-55-151601HBK Issue No:-A
Date:-22/04/2005 Page:-
15 of 29
3.5 Parts Lists
AFL Part Nō. Part Description Qty.
02-011505 PCS Rx Filter (SMA) 4
02-011506 PCS Tx Filter (SMA) 4
05-002601 PCN SPLITTER/COMBINER, 20W 2
10-001204 ATTEN.REMOTE D TYPE 30dB 12V 2
10-001720 REMOTE ATTEN. SWITCH PLATE(END) 2
10-001725 REMOTE ATTEN. SWITCH PCB 2
11-006302 PCN 1W AMP. 15dB GAIN (WITH RELAY) 1
11-007202 LOW NOISE AMPLIFIER PCN WITH RELAY 1
11-008201 LOW NOISE AMPLIFIER PCN 30dB GAIN 4
12-017301 POWER AMPLIFIER PCN 10W 2
17-000126 CELL ENHANCER LABEL 6 DIGIT 1
17-000526 CE 10/20W HEATSINK THERMAL GASKET 3
17-001109 CE AGC UNIT LOG DET/AMP ASSY (12v) 2
17-001201 C/E AGC UNIT ATTENUATOR ASSY 2
17-001522 BASE PLATE 560x345mm 17-001520&9020 1
17-009020 ENCLOSURE 620x420x250 (3 H/S) ALU 1
80-008901 12V RELAY PCB ASSEMBLY 1
80-032320 10W PA HEATSINK (NEEDS 17-000526) 2
80-310420 BCC 400W POWER SUPPLY HEATSINK 1
90-100003 MAINS LEAD '6 AMP' 1
90-200004 DC I/P LEADS, FREE SOCKET 1
90-400006 ALARM LEADS 1
91-030002 N ADAPTOR PANEL FEMALE:FEMALE 2
91-130001 SMA ADAPT 'T' ALL FEMALE 3 GHz 2
91-500011 PWR 3POLE PNL PLUG SEALED IP68 1
91-500013 PWR 2POLE PNL PLUG SEALED IP68 1
91-500015 PWR CON CAP SEALED with INT. THREAD 3
91-500016 PWR 6POLE PNL PLUG SEALED IP68 1
91-510032 20A SOCKET CONTACT PIN 4
91-600007 'D' 9 WAY BLACK SHELL 8
91-600014 'D' 9 WAY SOCKET S/B (NON FILTERED) 8
91-660001 2W5 MIXED D TYPE SOCKET (7 WAY) 2
96-110047 20A ATO FUSE 1
96-500003 AC FILTER 110V 5A 1
96-700034 LED RED 5mm IP67 INTEGRAL RES. 24V 1
96-700035 LED GREEN 5mm IP67 INTEGRAL RES 24V 1
96-900018 AC TRIP SWITCH (5 AMP M.C.B.) 1
96-920002 DPDT MINI TOGGLE SWITCH 8
97-300010 C/E SUPPLY INPUT COVER 1
97-300011/2 DC BOX 12V ATO TYPE 1 ASSEMBLY 1
97-400010 BLACK PLASTIC HANDLE 50mm HIGH 2
97-900003 RUBBER FOOT 1 1:2' DIA. 4

Roseville Tunnel PCS Band Selective Repeater
User
Handbook
Handbook Nō.-55-151601HBK Issue No:-A
Date:-22/04/2005 Page:-
16 of 29
4. SUB-UNIT MODULES
4.1 Bandpass Filters (02-011505 & 02-011506)
4.1.1 Description
The bandpass filters are multi-section designs with a bandwidth dependent upon the
passband frequencies, (both tuned to customer requirements). The response shape is basically
Chebyshev with a passband design ripple of 0.1dB. The filters are of slot coupled, folded
combline design, and are carefully aligned during manufacture in order to optimise the
insertion loss, VSWR and intermodulation characteristics of the unit. The tuned elements are
silver-plated to reduce surface ohmic losses and maintain a good VSWR figure and 50Ω load
at the input and output ports.
Being passive devices, the bandpass filters should have an extremely long operational life
and require no maintenance. Should a filter be suspect, it is usually most time efficient to
replace the module rather than attempt repair or re-tuning.
No adjustments should be attempted without full network sweep analysis facilities to monitor
both insertion loss and VSWR simultaneously.
4.1.2 Technical Specification
PARAMETER SPECIFICATION
Response Type Chebyshev
1850-1910MHz (02-011505)
Frequency Range: 1930-1990MHz (02-011506)
Bandwidth: 60MHz (tuned to spec.)
Number of Sections: 6
Insertion Loss: 1.2 dB
VSWR: better than 1.2:1
Connectors: SMA female
Power Handling: 100W max
operation: -10°C to +60°C Temperature
range: storage: -20°C to +70°C
Weight: 3 kg (typical)

Roseville Tunnel PCS Band Selective Repeater
User
Handbook
Handbook Nō.-55-151601HBK Issue No:-A
Date:-22/04/2005 Page:-
17 of 29
4.2 PCN Splitter/Combiner (05-002601)
4.2.1 Description
The Splitter/Combiner used is a device for accurately matching two or more RF signals to
single or multiple ports; most usually within a specified frequency band, whilst maintaining
an accurate 50Ω load to all inputs/outputs and ensuring that the VSWR and insertion losses
are kept to a minimum. Any unused ports will be terminated with an appropriate 50Ω load.
4.2.2 Technical Specification
PARAMETER SPECIFICATION
Narrowband: 1700–2000 MHz
Frequency Range: Broadband: 1500–2200 MHz
Narrowband: 300 MHz
Bandwidth: Broadband: 700 MHz
Inputs: 1
Outputs: 2
Narrowband: >20 dB
Isolation: Broadband: >18 dB
Narrowband: 3.3 dB
Insertion Loss: Broadband: 3.5 dB
VSWR Input & Output: Better than 1.3:1
Connectors: SMA female
Weight: 200gms
Size: 54 x 44 x 21mm
Splitter: 20 Watts
Power Rating: Combiner: 0.5Watts
4.3 ¼Watt 0- -30dB Switched Attenuator (10-001204)
4.3.1 General Application
In many practical applications for Cell Enhancers etc., the gain in each path is found to be
excessive. Therefore, provision is made within the unit for the setting of attenuation in each
path, to reduce the gain.
4.3.2 Switched Attenuators
The AFL switched attenuators are available in two different types; 0 – 30dB in 2 dB steps (as
in this case), or 0 – 15dB in 1 dB steps. The attenuation is simply set using the four miniature
toggle switches on the top of each unit. Each switch is clearly marked with the attenuation it
provides, and the total attenuation in line is the sum of the values switched in. They are
designed to maintain an accurate 50Ω impedance over their operating frequency at both input
and output.

Roseville Tunnel PCS Band Selective Repeater
User
Handbook
Handbook Nō.-55-151601HBK Issue No:-A
Date:-22/04/2005 Page:-
18 of 29
4.4 Low Noise Amplifier (11-006302)
4.4.1 Description
The 15dB gain low noise amplifier used in the unit is a double stage solid-state low noise
amplifier. Class A circuitry is used throughout the units to ensure excellent linearity over a
very wide dynamic range. The active devices are very moderately rated to provide a long
trouble-free working life. There are no adjustments on these amplifiers, and in the unlikely
event of a failure, then the complete amplifier should be replaced.
4.4.2 Technical Specification
PARAMETER SPECIFICATION
Frequency range: 1700-1930MHz
Bandwidth: 200MHz
Gain: 15dB
1dB compression point: 31dBm
IP3: 44dBm
I/O return loss: >18dB
Noise figure: <1.3dB
Supply requirement: 10 – 24V, DC
Consumption: 560-590mA @ (10 – 24V)
operation: -10°C to +60°C
Temperature range storage: -20°C to +70°
4.4.3 LNA ‘D’ Connector Pin-out details
Connector pin Signal
1 +Ve input (10-24V)
2 GND
3 Alarm RelayO/P bad
4 Alarm Relay common
5 Alarm Relay good
6 No connection
7 TTL voltage set
8 TTL alarm/0V (good)
9 O/C good/0V bad

Roseville Tunnel PCS Band Selective Repeater
User
Handbook
Handbook Nō.-55-151601HBK Issue No:-A
Date:-22/04/2005 Page:-
19 of 29

Roseville Tunnel PCS Band Selective Repeater
User
Handbook
Handbook Nō.-55-151601HBK Issue No:-A
Date:-22/04/2005 Page:-
20 of 29

Roseville Tunnel PCS Band Selective Repeater
User
Handbook
Handbook Nō.-55-151601HBK Issue No:-A
Date:-22/04/2005 Page:-
21 of 29

Roseville Tunnel PCS Band Selective Repeater
User
Handbook
Handbook Nō.-55-151601HBK Issue No:-A
Date:-22/04/2005 Page:-
22 of 29

Roseville Tunnel PCS Band Selective Repeater
User
Handbook
Handbook Nō.-55-151601HBK Issue No:-A
Date:-22/04/2005 Page:-
23 of 29
5. INSTALLATION
5.1 Initial Installation Record
When this equipment is initially commissioned, please use the equipment set-up record sheet
in Appendix A. This will help both the installation personnel and AFL should these figures
be needed for future reference or diagnosis.

Roseville Tunnel PCS Band Selective Repeater
User
Handbook
Handbook Nō.-55-151601HBK Issue No:-A
Date:-22/04/2005 Page:-
24 of 29
6. MAINTENANCE
6.1 General Procedures
6.1.1 Fault Finding
In the event that the performance of the system is suspect, a methodical and logical approach
to the problem will reveal the cause of the difficulty. The System consists of modules within
a wall mounted, environmentally protected enclosure
Transmissions from the main base stations are passed though the system to the mobile radio
equipment; this could be a handheld radio or a transceiver in a vehicle. This path is referred
to as the downlink. The return signal path from the mobile radio equipment to the base
station is referred to as the uplink.
The first operation is to check the alarms of each of the active units and determine that the
power supplies to the equipment are connected and active.
This can be achieved remotely (via CEMS, the RS232 Coverage Enhancement Management
System, if fitted), or locally with the front panel LED’s. The green LED on the front panel
should be illuminated, while the red alarm indicator should be off.
If an Alarm is on, then that individual shelf must be removed and individually tested against
the original test specification.
The individual amplifier units within the shelf have a green LED showing through a hole in
their piggy-back alarm board, which is illuminated if the unit is working correctly.
If an amplifier is suspect, check the DC power supply to the unit. If no other fault is apparent
use a spectrum analyser to measure the incoming signal level at the input and then after
reconnecting the amplifier input, measure the output level. Consult with the system diagram
to determine the expected gain and compare result.
In the event that there are no alarms on and all units appear to be functioning it will be
necessary to test the system in a systematic manner to confirm correct operation.

Roseville Tunnel PCS Band Selective Repeater
User
Handbook
Handbook Nō.-55-151601HBK Issue No:-A
Date:-22/04/2005 Page:-
25 of 29
6.1.2 Downlink
Confirm that there is a signal at the expected frequency and strength from the base station. If
this is not present then the fault may lay outside the system. To confirm this, inject a
downlink frequency signal from a known source at the master site BTS input and check for
output at the remote site feeder output.
If a signal is not received at the output it will be necessary to follow the downlink path
through the system to find a point at which the signal is lost. The expected downlink output
for the given input can be found in the end-to-end test specification.
6.1.3 Uplink
Testing the uplink involves a similar procedure to the downlink except that the frequencies
used are those transmitted by the mobile equipment.
6.1.4 Fault repair
Once a faulty component has been identified, a decision must be made on the appropriate
course to carry out a repair. A competent engineer can quickly remedy typical faults such as
faulty connections or cables. The exceptions to this are cable assemblies connecting
bandpass filter assemblies that are manufactured to critical lengths to maintain a 50-ohm
system. Care should be taken when replacing cables or connectors to ensure that items are of
the correct specification. The repair of component modules such as amplifiers and bandpass
filters will not usually be possible in the field, as they frequently require specialist
knowledge and test equipment to ensure correct operation. It is recommended that items of
this type are replaced with a spare unit and the faulty unit returned to AFL for repair.

Roseville Tunnel PCS Band Selective Repeater
User
Handbook
Handbook Nō.-55-151601HBK Issue No:-A
Date:-22/04/2005 Page:-
26 of 29
6.1.5 Checking service
Following the repair of any part of the system it is recommended that a full end-to-end test is
carried out in accordance with the test specification and that the coverage is checked by
survey.
It is important to bear in mind that the system includes a radiating cable network and base
stations that may be faulty or may have been damaged.
6.1.6 Service Support
Advice and assistance with maintaining and servicing this system are available by contacting
Aerial Facilities Ltd.
6.2 Tools & Test Equipment
The minimum tools and test equipment needed to successfully service this AFL product are
as follows:-
Spectrum analyser: 100kHz to 2GHz (Dynamic range = 90dB).
Signal Generator: 30MHz to 2GHz (-120dBm to 0dBm o/p level).
Attenuator: 20dB, 10W, DC-2GHz, (N male – N female).
Test Antenna: Yagi or dipole for operating frequency.
Digital multi-meter: Universal Volt-Ohm-Amp meter.
Test cable x 2: N male – N male, 2M long RG214.
Test cable x 2: SMA male – N male, 1m long RG223.
Hand tools: Philips #1&2 tip screwdriver.
3mm flat bladed screwdriver.
SMA spanner and torque setter.

Roseville Tunnel PCS Band Selective Repeater
User
Handbook
Handbook Nō.-55-151601HBK Issue No:-A
Date:-22/04/2005 Page:-
27 of 29
6.3 Care of Modules
6.3.1 General Comments
Many of the active modules contain semiconductor devices utilising MOS technology, which
can be damaged by electrostatic discharge. Correct handling of such modules is mandatory to
ensure their long-term reliability.
To prevent damage to a module, it must be withdrawn/inserted with care. The module may
have connectors on its underside, which might not be visible to the service operative.
6.3.2 Module Removal (LNA’s, general procedure):
The following general instructions should be followed to remove a module:
1 Remove power to the unit
2 Remove all visible connectors (RF, DC & alarm)
3 Release module retaining screws.
4 Slowly but firmly, pull the module straight out of its position. Take care not to twist/turn
the module during withdrawal. (When the module is loose, care may be needed, as there
may be concealed connections underneath).
6.3.3 Module Replacement (general):
1 Carefully align the module into its location then slowly push the module directly straight
into its position, taking care not to twist/turn it during insertion.
2 Reconnect all connectors, RF, alarm, power etc.,(concealed connectors may have to be
connected first).
3 Replace retaining screws (if any).
4 Double-check all connections before applying power.
6.3.4 Power Amplifiers
1) Remove power to the unit. (Switch off @ mains/battery, or remove DC in connector)
2) Remove alarm wires from alarm screw terminal block or disconnect multi-way alarm
connector.
3) Carefully disconnect the RF input and output coaxial connectors (usually SMA)
If alarm board removal is not required, go to step 5.
4) There is (usually) a plate attached to the alarm board which fixes it to the amplifier,
remove its retaining screws and the alarm board can be withdrawn from the amplifier in
its entirety. On certain types of amplifier the alarm board is not mounted on a dedicated
mounting plate; in this case it will have to firstly be removed by unscrewing it from the
mounting pillars, in most cases, the pillars will not have not have to be removed before
lifting the amplifier.

Roseville Tunnel PCS Band Selective Repeater
User
Handbook
Handbook Nō.-55-151601HBK Issue No:-A
Date:-22/04/2005 Page:-
28 of 29
5) If the amplifier to be removed has a heatsink attached, there may be several different ways
it can have been assembled. The most commonly used method, is screws through the front
of the heatsink to threaded screw holes (or nuts and bolts), into the amplifier within the
main case. If the heatsink is mounted on the rear of the main case (e.g., against a wall in
the case of wall mounted enclosures), then the fixing method for the heatsink will be from
within the case, (otherwise the enclosure would have to be removed from the wall in order
to remove the heatsink).
When the heatsink has been removed, the amplifier may be unscrewed from the main
casing by its four corner fixings and gently withdrawn.
Fitting a new power amplifier module will be the exact reverse of the above.
Note: Do not forget to apply fresh heatsink compound to the heatsink/main case
joint and also between the amplifier and the main case.
6.3.5 Low Power Amplifier Replacement
1 Disconnect the mains power supply and disconnect the 24V dc supply connector for the
LPA.
2 Disconnect the RF input and output cables from the LPA.
3 Disconnect the alarm connector.
4 Remove the alarm monitoring wires from (D type connector) pins 9 and 10.
5 Remove the LPA module by removing the four retaining screws, replace with a new LPA
module and secure it with the screws.
6 Connect the RF cables to the LPA input and output connectors. Reconnect the wires to
the alarm board connector pins 9 and 10.
7 Reconnect the DC supply connector and turn the mains switch on.
Note: Tighten SMA connectors using only a dedicated SMA torque spanner. If SMA
connectors are over-tightened, irreparable damage will occur. . Do not use adjustable
pliers to loosen/tighten SMA connectors.
Also take care not to drop or knock the module as this can damage (or misalign in the
case of tuned passive modules) sensitive internal components. Always store the modules
in an environmentally friendly location
6.3.6 Module Transportation:
To maintain the operation, performance and reliability of any module it must be stored and
transported correctly. Any module not installed in a whole system must be kept in an anti-
static bag or container. These bags or containers are normally identified by being pink or
black, and are often marked with an ESD label. Any module sent back to AFL for
investigation/repair must be so protected. Please contact AFL’s quality department before
returning a module.

Roseville Tunnel PCS Band Selective Repeater
User
Handbook
Handbook Nō.-55-151601HBK Issue No:-A
Date:-22/04/2005 Page:-
29 of 29
APPENDIX A INITIAL EQUIPMENT SET-UP CALCULATIONS
GENERAL INFORMATION
Site Name: Client Name:
Date: AFL Equip. Model Nō.
ANTENNA SYSTEMS
Model Gain Azimuth Comments
A - Service Antenna
B – Donor Antenna
Type Loss Length Comments
C – Service Feeder
D – Donor Feeder
INITIAL PARAMETERS
E – CE Output Power dBm
F – Antenna Isolation dB
G – Input signal level from donor BTS dBm
Operating Voltage V
DOWNLINK CALCULATIONS
Parameter Comments Value
Input signal level (G) dBm
CE max. o/p power (E) dBm
Gain setting E - G dB
Isolation required (Gain + 10dB) dB
Service antenna gain (A) dB
Service antenna feeder loss (C) dB
Effective radiated power (ERP) E+A-C dBm
Attenuator setting CE gain-gain setting dB
If the input signal level in the uplink path is known and steady, use the following calculation
table to determine the gain setting. If the CE features Automatic Gain Control the attenuator
should be set to zero and if not, then the attenuation setting for both uplink and downlink
should be similar.
UPLINK CALCULATIONS
Parameter Comments Value
Input signal level dBm
CE max. o/p power (E) dBm
Gain setting dB
Required isolation dB
Donor antenna gain (B) dB
Donor antenna feeder loss (D) dB
Effective radiated power (ERP)
E+B-D
dBm
Attenuator setting (CE gain-gain setting) dB