Pioneer K071 Bluetooth module User Manual Manual
Pioneer Corporation Bluetooth module Manual
Pioneer >
Manual
X-8075 Bluetooth Module Manual
Version 1.0

1. Product Introduction
X-8075 is a fully integrated Bluetooth Module used as Car kit or in the Car
Audio System or any systems requiring complete embedded Bluetooth
connectivity solution. It’s a high quality solution with low cost. It will work as a
master or slave Bluetooth device, accepting the role switch request of remote
device automatically.
X-8075 Shape
X-8075 Support Features:
Embedded Bluetooth 3.0 via EDR
Pairing and connection with multiple Bluetooth devices
Make calls, Terminate calls, Private mode, 3-way calling
Phone book and Call history synchronization
Audio Streaming
New message notification
2. Common Specification
Radio Chip:
CSR BC5MM
Power Supply Voltage:
The operating voltage range is D.C. 3.1V-3.6V.
Rated voltage is D.C.3.3V.
Ambient temperature:
The operating temperature range is -40~+85 ゚C.
Rated temperature is +25 ゚C.
Humidity:
The maximum relative humidity is 95 % (Ta=45 ゚C).
Rated relative humidity is 65%.
Antenna:
Built-in
Antenna gain:
The antenna gain value is -1dBi.

3. Hardware Integration
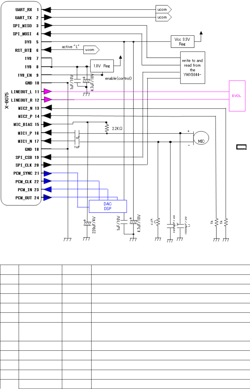
X-8075 Pin-out diagram
No.
symbol
explain
Description
1
UART_RX
UART DATA OUTPUT
2
UART_TX
UART DATA INPUT
3
SPI_MISO
SPI data output
4
SPI_MOSI
SPI data input
5
3V3
power Vcc 3.3V
6
RST_BT#
Reset if low.Input debounced so must be low for >5ms to cause
a reset
7
1V8
power 1.8V
8
1V8
power 1.8V
9
1V8_EN
1V8 power supply enable signal --active high
10
GND
GND
11
LINEOUT_L
analog audio output

12
LINEOUT_R
analog audio output
13
MIC2_N
Microphone2 minus input
14
MIC2_P
Microphone2 plus input
15
MIC_BIAS
Microphone bias
16
MIC1_P
Microphone1 plus input
17
MIC1_N
Microphone1 minus input
18
GND
GND
19
SPI_CBS
Chip select for serial peripheral interface(SPI),active low
20
SPI_CLK
SPI clock
21
PCM_SYNC
synchronous data sync
22
PCM_CLK
synchronous data clock
23
PCM_IN
synchronous data input
24
PCM_OUT
synchronous data output
X-8075 Pin-out Description
4. Software Interface Reference
The default device name is X-8075_B203 after module start. User can change
it to any other friendly name by using the relative interface command. X-8075
can send or receive data from remote Bluetooth device.
Software Configuration:
Setting
Value
Baud Rate
115200bps(pre-configurable)
Data bit
8 data bits, list significant bit transmit first
Parity
Even Parity
Stop bit
1 stop bit
HW Flow Control
Optional
Interface Example:
Name:
BT_GEN_FID_SET_SCANMODE_REQ
functionality:
Set Bluetooth inquiry scan and page scan parameter
param 1:
type:
u8
name:
discover_mode
meaning:
discoverable mode
range:
0x00~0x03
0x00: no scan enable(default)
0x01: Enable inquiry scan Page scan disabled
0x02: Enable page scan inquiry scan disabled
0x03: page and inquiry enable
The interface command name is BT_GEN_FID_SET_SCANMODE_REQ. There
is one paramer named discover_mode with four valid values and below is the
description of all values.User can configure ScanMode of X-8075 by sending this
interface. When Host Controller initiates a REQ, BT Module should always send a
corresponding CFM to specify operation result and optional additional information.
Example:
BT_GEN_FID_SET_SCANMODE_REQ<discover_mode=0x03>
BT_GEN_FID_SET_SCANMODE_CFM<status=0x00>
Set discover_mode as 0x03, then other Bluetooth device can find X-8075 and initiate
to pairing with X-8075.

Interface Listing
No.
Interface
1
BT_GEN_FID_RESET_REQ
2
BT_GEN_FID_INQUIRY_REQ
3
BT_GEN_FID_SET_SCANMODE_REQ
4
BT_GEN_FID_SET_SEC_MODE_REQ
5
BT_GEN_FID_GET_REMOTE_NAME_REQ
6
BT_GEN_FID_SET_LOCAL_NAME_REQ
7
BT_GEN_FID_READ_LOCAL_NAME_REQ
8
BT_GEN_FID_PAIRING_DEVICE_REQ
9
BT_GEN_FID_DEL_PAIR_DEV_REQ
10
BT_GEN_FID_GET_PAIR_DEV_LIST_REQ
11
BT_GEN_FID_SERVICE_CON_REQ
12
BT_GEN_FID_SERVICE_DISCON_REQ
13
BT_GEN_FID_GET_LINK_QUALITY_REQ
14
BT_GEN_FID_SEARCH_ATTRIBUTE_REQ
15
BT_GEN_FID_TEST_MODE_REQ
16
BT_GEN_FID_ENTER_DFU_REQ
17
BT_HFP_FID_AUDIO_TRANSFER_REQ
18
BT_HFP_FID_DIAL_REQ
19
BT_HFP_FID_LAST_DIAL_REQ
20
BT_HFP_FID_MEM_DIAL_REQ
21
BT_HFP_FID_CALL_PROCESS_REQ
22
BT_HFP_FID_TERMINATE_CALL_REQ
23
BT_HFP_FID_GET_CURRENT_CALL_LIST_REQ
24
BT_HFP_FID_VOICE_RECOGNIZE_REQ
25
BT_HFP_FID_DTMF_CODE_REQ
26
BT_HFP_FID_CALL_HOLD_REQ
27
BT_HFP_FID_SUBSCRIBER_NUM_REQ
28
BT_HFP_FID_NETWORK_OPERATOR_REQ
29
BT_AVP_FID_MEDIA_START_REQ
30
BT_AVP_FID_MEDIA_PAUSE_REQ
31
BT_AVP_FID_GET_PLAY_STATUS_REQ
32
BT_AVP_FID_GET_ELEMENT_ATTRIBUTES_REQ
33
BT_PBDL_FID_CONFIGURE_REQ
34
BT_PBDL_FID_SYNC_PB_REQ
35
BT_PBDL_FID_SYNC_ABORT_REQ
36
BT_PBDL_FID_GET_PB_BY_INDEX_REQ
37
BT_PBDL_FID_SEARCH_PB_BY_NUMBER_REQ
38
BT_PBDL_FID_SEARCH_PB_BY_KEY_REQ

System Error Status
Value
Error Status
0x00
APP_EVTRES_SUCCESS
0x01
APP_EVTRES_FAIL
0x02
APP_EVTRES_UNKNOWN_OPCODE
0x03
APP_EVTRES_ILLEGAL_PARAM
0x04
APP_EVTRES_OPERATION_FAIL
0x05
APP_EVTRES_SYSTEM_BUSY
0x06
APP_EVTRES_ILLEGAL_OPERATION
0x07
APP_EVTRES_ILLEGAL_STATE
0x08
APP_EVTRES_ILLEGAL_FORMAT
0x09
APP_EVTRES_PAGE_TIMEOUT
0x0A
APP_EVTRES_ABNORMAL
0x0B
APP_EVTRES_ABORTED
0x0C
APP_EVTRES_SDP_ERROR
0x0D
APP_EVTRES_AUTHENTICATION_FAIL
0x0E
APP_EVTRES_OPERATION_TIMEOUT
0x0F
APP_EVTRES_NO_CORRESPONDING_IND
1. Reset Software
Name:
BT_GEN_FID_RESET_REQ
functionality:
Software reset of the Bluetooth Module.
2, Inquiry Remote Device
Name:
BT_GEN_FID_INQUIRY_REQ
functionality:
Inquiry Bluetooth device(s) nearby. The detail device information should be report to host
application by the indication of BT_GEN_FID_INQ_RESULT_IND.
param 1:
type:
u8
name:
mode
meaning:
The mode of inquiry Bluetooth device(s)
range:
0x00~0x01
0x00: General inquiry 0x01: Limited inquiry
param 2:
type:
u24
name:
filter
meaning:
Bitwise class of device to be filtered
range:
0x000000~0xFFFFFF
.
param 3:
type:
u8
name:
duration

meaning:
The maximum amount of time used for inquiring in 1.28 second
range:
0x02~0x30
param 4:
type:
u8
name:
num
meaning:
The maximum number of response from the inquiry
range:
0x01~0x20
3. San Mode configure
Name:
BT_GEN_FID_SET_SCANMODE_REQ
functionality:
Set Bluetooth inquiry scan and page scan parameter
param 1:
type:
u8
meaning:
discoverable mode
range:
0x00~0x03
0x00: no scan enable(default)
0x01: Enable inquiry scan Page scan disabled
0x02: Enable page scan inquiry scan disabled
0x03: page and inquiry enable
4. Security Mode configure
Name:
BT_GEN_FID_SET_SEC_MODE_REQ
functionality:
Configure the security mode of local Bluetooth device
param 1:
type:
u8
name:
mode
meaning:
The Bluetooth security mode
range:
0x01~0x04
0x01: non secure 0x02: service level enforced security
0x03: link level enforced security 0x04: service level enhanced security(SSP, default)
param 2:
type:
u8
name:
sec
meaning:
The Bluetooth encryption mode
range:
0x00~0x02
0x00: Encryption off 0x01: Point to point encryption
0x02: Point to point and broadcast encryption (default)

5. Get Remote device name
Name:
BT_GEN_FID_GET_REMOTE_NAME_REQ
functionality:
Retrieve User-Friendly name of remote Bluetooth device
param 1:
type:
bdaddr
name:
remote
meaning:
the Bluetooth device address of remote
range:
N/A
6. Set BT module name
Name:
BT_GEN_FID_SET_LOCAL_NAME_REQ
functionality:
Set the User-Friendly name for local Bluetooth device
param 1:
type:
u16
name:
len
meaning:
The length of User-Friendly name
range:
0x01~0x1F
param 2:
type:
str
name:
name
meaning:
The User-Friendly name encoded in UTF-8
range:
N/A
7. Read BT Module name
Name:
BT_GEN_FID_READ_LOCAL_NAME_REQ
functionality:
Issue this command to read local device friendly name. the result will be returned by the
confirmation of BT_GEN_FID_READ_LOCAL_NAME_CFM.
remark:
N/A
8. Pairing with Remote device
Name:
BT_GEN_FID_PAIRING_DEVICE_REQ
functionality:
Issue this command to authentication with remote device, when this command is issued
local will init a authentication process with remote device.
NOTE: This command can not be sent when there is a service connection between local
and remote device.

param 1:
type:
bdaddr
name:
remote
meaning:
The Bluetooth device address of remote
range:
N/A
9. Delete paired Remote device
Name:
BT_GEN_FID_DEL_PAIR_DEV_REQ
functionality:
Delete the paired device information according its device id.
param 1:
type:
u8
name:
pairId
meaning:
The paired device id.
range:
0x00~0x02
10. Get paired device list
Name:
BT_GEN_FID_GET_PAIR_DEV_LIST_REQ
functionality:
Get all paired device list.
11. Initiate Service connection
Name:
BT_GEN_FID_SERVICE_CON_REQ
functionality:
Setup a Bluetooth profile level connection
param 1:
type:
bdaddr
name:
remote
meaning:
The Bluetooth device address to be connected
range:
N/A
param 2:
type:
u8
name:
service
meaning:
The service to be connected
range:
0x00~0x02, 0x04~0x05
0x00: SPP 0x01: HFP 0x02: AVP 0x04:OPPS
0x05:PBAP
param 3:
type:
u8
name:
extend
meaning:
The extended info the target service
range:
0x00~0xFF
As for SPP service, it is the instance id;
As for other services, it is reserved and should be always zero.

12. Release Service connection
Name:
BT_GEN_FID_SERVICE_DISCON_REQ
functionality:
Release an existing profile level connection
param 1:
type:
u8
name:
service
meaning:
The service to be released
range:
0x00~0x02, 0x05
0x00: SPP 0x01: HFP 0x02: AVP 0x05: PBAP
param 2:
type:
u8
name:
extend
meaning:
The extended info.
range:
0x00~0x01 (default is 0)
As for SPP service, it is the instance id; As for AVP, it's the device id.
13. Get Link quality with Remote device
Name:
BT_GEN_FID_GET_LINK_QUALITY_REQ
functionality:
Retrieve link quality of current link
param 1:
type:
bdaddr
name:
remote
meaning:
The Bluetooth device address of remote
range:
N/A
14. Get Attribute of Remote device
Name:
BT_GEN_FID_SEARCH_ATTRIBUTE_REQ
functionality:
Search the attributes for services that supported by Remote device
param 1:
type:
bdaddr
name:
remote
meaning:
The Bluetooth device address of remote
range:
N/A
param 2:
type:
u8
name:
timeout
meaning:
The timeout of service search in seconds
range:
0x05~0x3C

15. Enter Test Mode
Name:
BT_GEN_FID_TEST_MODE_REQ
functionality:
Enable local device under test mode
remark:
Request to place the local module into Device Under Test mode. The module
automatically becomes discoverable, connectable and security is disabled before entering
DUT mode. It is intended that this command be used when connecting the module to a
Bluetooth Tester (e.g. Rhode & Schwartz CMU200). To return to normal operation, the
module should be reset. This message contains no parameters.
16. Enter DFU Mode
Name:
BT_GEN_FID_ENTER_DFU_REQ
functionality:
Make the BT Module to enter Device Firmware Upgrade mode
remark:
As soon as this message is processed, Bluetooth module will be rebooted automatically
and ready for firmware maintenance procedures.
There is no parameter for this message.
17. Audio transfer
Name:
BT_HFP_FID_AUDIO_TRANSFER_REQ
functionality:
By sending this command host can transfer SCO audio out between BT module and
remote connected AG device.
param 1:
type:
u8
name:
dir
meaning:
Which side should output the SCO audio
range:
0x00~0x01
0x00 - BT module side 0x01 - AG side
18. Place an outgoing call by number
Name:
BT_HFP_FID_DIAL_REQ
functionality:
Send a dial request to the remote AG device.
Note that the num parameter is limited to 32 bytes in length.
param 1:

type:
u16
name:
len
meaning:
The length of the dialing number.
range:
0x0000~0x0020
param 2:
type:
str
name:
num
meaning:
Dialing call number
range:
N/A
19. Place an outgoing call to last number
Name:
BT_HFP_FID_LAST_DIAL_REQ
functionality:
Send a last dial request to the remote device.
20. Memory dial
Name:
BT_HFP_FID_MEM_DIAL_REQ
functionality:
Send a memory dial request to the remote device.
param 1:
type:
u16
name:
len
meaning:
The length of the dialling number.
range:
0x0000~0x0020
NA
param 2:
type:
str
name:
num
meaning:
Dialling call number
range:
N/A
21. Accept/Reject incoming call
Name:
BT_HFP_FID_CALL_PROCESS_REQ
functionality:
This command is used to accept/reject incoming calls.
param 1:
type:
u8
name:
action
meaning:
The action for the incoming call
range:
0x00~0x01
0x00 reject the incoming call 0x01 - accept the incoming call

22. End ongoing call
Name:
BT_HFP_FID_TERMINATE_CALL_REQ
functionality:
Issue this command to terminate the ongoing call of the remote connected device.
23. Get current call information
Name:
BT_HFP_FID_GET_CURRENT_CALL_LIST_REQ
functionality:
Issue this command to get current call detail information of connected remote device.
24. Voice Recognition
Name:
BT_HFP_FID_VOICE_RECOGNIZE_REQ
functionality:
Issue this command BT Module can activate/deactivate voice recognize in Remote
device.
param 1:
type:
u8
name:
operation
meaning:
Enable/disable the function of voice recognize function.
range:
0x00~0x01
0x00 deactivate (default) 0x01 activate
25. Transmit DTMF code
Name:
BT_HFP_FID_DTMF_CODE_REQ
functionality:
Transmit a DTMF code to the remote device. DTMF codes other than those specified
below will be rejected as per the Bluetooth specification.
param 1:
type:
u8
name:
code
meaning:
DTMF code
range:
0x30 - 0x39, 'A' - 'D', '#', '*'
0x00 means no error, other values please refer to corresponding spec.
26. 3-way call control
Name:
BT_HFP_FID_CALL_HOLD_REQ
functionality:
Issue this command to send call held command to connected remote device.
param 1:
type:
u8
name:
action
meaning:
The action of call hold command
range:
0x00 - 0x04

0x00 Release all hold call and reject the waiting calls
0x01 Release active call and accept the waiting calls
0x02 Put active call on hold and accept other waiting/hold calls
0x03 Adds a held call to the conversation
0x04 Connects the two calls and disconnects the subscriber from both calls
param 2:
type:
u8
name:
index
meaning:
The index of the speciated call
range:
0x00 - 0x02
[action = 0x01]
0x00 Release all active calls 0x01- 0x02 Release the speciated call
[action = 0x02]
0x00 Put all active calls on hold 0x01-0x02 Put all call on hold except the speciated
call.
27. Subscribe number
Name:
BT_HFP_FID_SUBSCRIBER_NUM_REQ
functionality:
Issue this command to query AG subscriber number, if subscriber is available then AG
will return subscriber number by using the indication of subscriber number event, if
multiple subscriber numbers are available then AG will return the result by many use the
event of subscriber number indication.
28. Get network operator of Remote device
Name:
BT_HFP_FID_NETWORK_OPERATOR_REQ
functionality:
Issue this command to get the network operator of remote device. This command not has
any parameters.
29. Start Audio Streaming
Name:
BT_AVP_FID_MEDIA_START_REQ
functionality:
Send a request to start A2DP audio streaming.
param 1:
type:
u8
name:
device_id
meaning:
The current used device id
range:
0x00~0x01
30. Pause Audio Streaming
Name:
BT_AVP_FID_MEDIA_PAUSE_REQ
functionality:

Suspend an ongoing A2DP audio streaming.
param 1:
type:
u8
name:
device_id
meaning:
The current used device id
range:
0x00~0x01
31. Get current Audio Streaming status
Name:
BT_AVP_FID_GET_PLAY_STATUS_REQ
functionality:
This command is used to request the status of the currently playing media at the TG.
param 1:
type:
u8
name:
device_id
meaning:
The current used device id
range:
0x00~0x01
32. Get current media information
Name:
BT_AVP_FID_GET_ELEMENT_ATTRIBUTES_REQ
functionality:
This command is used to request the attributes of the element specified in the parameter.
param 1:
type:
u8
name:
device_id
meaning:
The current used device id
range:
0x00~0x01
param 2:
type:
u8
name:
attributes
meaning:
The attributes to be retrieved by setting attribute ID bit mask.
range:
0x00 – 0x7F
Bit0 - Title of the media Bit1 - Name of the artist
Bit2 - Name of the album Bit3 - Number of the media
Bit4 - Total number of the media Bit5 - Genre
Bit6 - Playing time in millisecond Bit7 - Reserved
Get the attribute content by set the bit mask to 1, or 0 not. None mask set means get all
attributes.
33. Phonebook synchronization configure
Name:
BT_PBDL_FID_CONFIGURE_REQ
functionality:

This message used to configure PBDL service before used it. Host must use this interface
to register the wanted service, the service priority and other parameters etc.
param 1:
type:
u8
name:
srv_ priority
meaning:
Set the priority of the available service to pull phonebook.
range:
0~1
0 – Priority to use AT+PBDL (default) 1- Priority to use PBAPC
param 2:
type:
u8
name:
register_srv
meaning:
The service registered to use PBDL.
range:
0x00 ~ 0xFF (default is 0x00)
bit1: HFP_HF bit4: OPP_SERVER bit5: PBAP_PCE bit0 and others
reserved.
param 3:
type:
u8
name:
vcard_type
meaning:
Wanted VCARD version.
range:
0x00, 0x01, 0x02 (default is 0x00)
0x00 – Vcard 2.1 0x01 – Vcard 3.0 0x02 – Vcard Default
param 4:
type:
u8
name:
charset_type
meaning:
Wanted char set type.
range:
0x00~0x0A
0x00: GSM (default) 0x01: ASCII 0x02: UTF-8 0x03: HEX
0x04: IRA 0x05:UCS2 0x0006:PCCP437 0x0007:PCDN
0x0008:8859-1 0x0009:UCS-2 0x000A:UTF8
34. Phonebook synchronization
Name:
BT_PBDL_FID_SYNC_PB_REQ
functionality:
This message used to sync phonebook from remote phone. Firmware will use the available
service as its priority setting by the last configure interface.
param 1:
type:
u8
name:
devId
meaning:
The request device id.
range:
0x00~0x02
param 2:
type:
u8
name:
pbType
meaning:
The request phonebook type
range:
0x00~0x01
0x00: Phonebook(SIM, ME) (default) 0x01:CallHistory(DC, MC, RC)

35. Abort Phonebook synchronization
Name:
BT_PBDL_FID_SYNC_ABORT_REQ
functionality:
This message used to abort the PBDL sync operation.
36. Get phonebook information after synchronization
Name:
BT_PBDL_FID_GET_PB_BY_INDEX_REQ
functionality:
This message used to get the earlier sync phonebook record stored on local flash by its
number.
param 1:
type:
u8
name:
devId
meaning:
The request device id.
range:
0x00~0x02
param 2:
type:
u16
name:
index
meaning:
The index of the record.
range:
0x0000~0x03E8
37. Search phonebook by number after synchronization
Name:
BT_PBDL_FID_SEARCH_PB_BY_NUMBER_REQ
functionality:
This message used to search the phonebook record by number.
param 1:
type:
u8
name:
devId
meaning:
The request device id.
range:
0x00~0x02
param 2:
type:
u16
name:
numberLen
meaning:
The got number length
range:
0x0000~0x001F
param 3:
type:
str
name:
number
meaning:
The number string.
range:
N/A

38. Search phonebook by key word after synchronization
Name:
BT_PBDL_FID_SEARCH_PB_BY_KEY_REQ
functionality:
This message used to search the phonebook record by its key word of name.
param 1:
type:
u8
name:
devId
meaning:
The request device id.
range:
0x00~0x02
param 2:
type:
u24
name:
key
meaning:
3 bytes UTF-8 Unicode encoding code.
range:
N/A
E.g: A : 0x000041
Statement
This equipment has been tested and found to comply with the limits for a Class B
digital device, pursuant to Part 15 of the FCC Rules. These limits are designed to
provide reasonable protection against harmful interference in a residential
installation. This equipment generates, uses and can radiate radio frequency energy
and, if not installed and used in accordance with the instructions, may cause harmful
interference to radio communications. However, there is no guarantee that
interference will not occur in a particular installation. If this equipment does cause
harmful interference to radio or television reception, which can be determined by
turning the equipment off and on, the user is encouraged to try to correct the
interference by one or more of the following measures: Reorient or relocate the
receiving antenna; Increase the separation between the equipment and receiver;
Connect the equipment into an outlet on a circuit different from that to which the
receiver is connected; Consult the dealer or an experienced radio/TV technician for
help.
In accordance with FCC Part 15C and RSS-210, this module is listed as a Modular
Transmitter device.
1 Changes or modifications not expressly approved by the manufacturer could void
the user’s authority to operate the equipment.
2 The antenna of this transmitter must not be co-located or operating in conjunction
with any other antenna or transmitters within a host device, except in accordance
with FCC multitransmitter product procedures.
FCC Label Instructions
The outside of final products that contains this module device must display a label
referring to the enclosed module. This exterior label can use wording such as the
following: “Contains Transmitter Module FCC ID: [AJDK071]” or “Contains FCC ID:
[AJDK071].” Any similar wording that expresses the same meaning may be used.
If the product is to be sold in Canada, then this exterior label should use wording
such as the following: “Contains Transmitter Module IC: [775E-K071]”
To satisfy FCC RF Exposure requirements for mobile and base station transmission
devices, a separation distance of 20 cm or more should be maintained between the
antenna of this device and persons during operation. To ensure compliance,
operation at closer than this distance is not recommended. The antenna(s) used for
this transmitter must not be co-located or operating in conjunction with any other
antenna or transmitter.