Queclink Wireless Solutions M10 GSM Module User Manual
Queclink Wireless Solutions Co.,Ltd GSM Module
User Manual
M10 User Manual

M10 User Manual
Contents
Contents ........................................................................................................................... 1
0. Revision history ............................................................................................................. 4
1. Introduction ................................................................................................................... 5
1.1. Reference ............................................................................................................. 5
2. Product Concept............................................................................................................. 6
3. Placement...................................................................................................................... 8
3.1. Pin Assignment ..................................................................................................... 8
3.2. Placement recommendation................................................................................... 15
3.3. Placement clearance ............................................................................................. 15
4. Digital I/O Connection .................................................................................................. 17
5. VDD_EXT Pin ............................................................................................................ 18
6. Serial Interface and Debug Interface ............................................................................... 19
7. SIM Card .................................................................................................................... 20
8. SLEEP Mode ............................................................................................................... 21
9. Audio Trace................................................................................................................. 22
10. RF Design Guide ........................................................................................................ 23
10.1. Recommended Impedance Matching Circuit.......................................................... 23
10.2. Matched RF Transmission Line Design................................................................. 24
10.3. PCB Layout Consideration .................................................................................. 24
11. The Recommended Ramp-soak-spike Reflow Profile ...................................................... 28

M10 User Manual
Figure Index
FIGURE 1: PIN ASSIGNMENT ........................................................................................................................... 9
FIGURE 2: RECOMMENDATION OF PLACEMENT ................................................................................. 15
FIGURE 3: PLACEMENT CLEARANCE ................................................................................................... 16
FIGURE 4: CIRCUIT OF THE SIM CARD ............................................................................................... 20
FIGURE 5: AUDIO TRACE ROUTING EXAMPLE ..................................................................................... 22
FIGURE 6: T-TYPE MATCHING CIRCUIT.................................................................................................... 23
FIGURE 7: Π-TYPE MATCHING CIRCUIT................................................................................................... 23
FIGURE 8: M10 RF_ANT PCB LAYOUT ....................................................................................................... 24
FIGURE 9: REFERENCE PCB DESIGN WITH ANTENNA PAD IN A FOUR-LAYER PCB ............. 26
FIGURE 10: REFERENCE PCB DESIGN WITH RF CONNECTOR IN A FOUR-LAYER PCB ........ 27
FIGURE 11: STACK-UP OF THE FOUR-LAYER PCB................................................................................ 27
FIGURE 12: THE RECOMMENDED RAMP-SOAK-SPIKE REFLOW P ROFILE............................... 28

M10 User Manual
0. Revision history
Revision
Date
Author
Description of change
1.00
Ken Ji/
Samuel Hong
Origin

1. Introduction
This document gives recommendation for M10 module integration in a wireless application, such
as vehicle tracking system, smart metering and PDA. It gives some recommendations for design
notes, reference circuit and PCB layout.
The M10 is a Quad-band GSM/GPRS engine that works at frequencies of
GSM850, and PCS1900. M10 features GPRS and
supports the GPRS coding schemes CS-1, CS-2, CS-3 and CS-4.
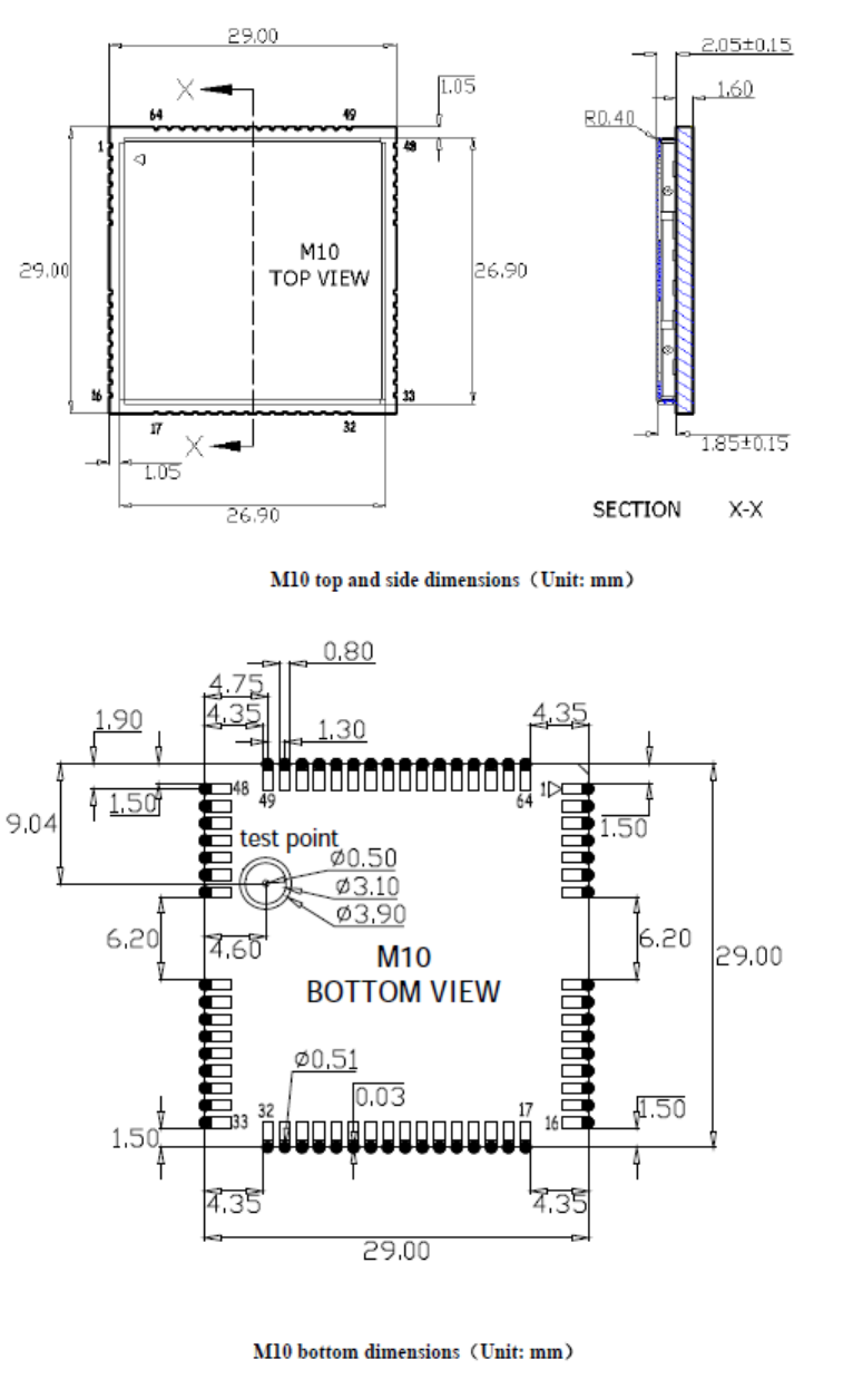
With a tiny profile of 29mm × 29mm × 3.6 mm, the module can meet almost all the requirements
for M2M applications, including Tracking and Tracing, Intelligent Instrument, Wireless POS,
Security, Telematics, Remote Controlling, etc.
M10 is an SMD type module, which can be embedded in customer application through its 64-pin
pads. It provides all hardware interfaces between the module and customer’s host board.
1.1. Reference

2. Product Concept
The M10 is a Quad-band GSM/GPRS engine that works at frequency bands of GSM850 and PCS
1900. The M10 features GPRS multi-slot class 12 and supports the GPRS coding schemes CS-1,
CS-2, CS-3 and CS-4.
The M10 is an SMD type module with 64-pin pads and a tiny profile of 29mm x 29mm x 3.6 mm
(the thickness of PCB is 1.6mm), which can fit into almost all customers’ applications. It provides
all hardware interfaces between the module and customer’ host board.
External controller can communicate with M10 through its main UART port.
Two audio channels include two microphone inputs and two speaker outputs, which can be
easily configured by AT command.
The module is designed with power saving technique so that the current consumption could be very
low.
TCP/IP protocol stack has been integrated in the module. Moreover, extended TCP/IP AT
commands have been developed for customer to use the internal TCP/IP protocol easily, which is
very useful for data transfer application.
The module is fully RoHS compliant to EU regulation.

Mechanical dimensions of module

3. Placement
Please pay attention to the placement and the PCB layout in your application design.
3.1. Pin Assignment
The pin assignment of the M10 module is shown in Figure 1. Placement of module should be
carefully considered to make the RF_IN pad as close as possible to antenna so as to reduce overall
RF trace length. The longer the RF trace to antenna, the larger the RF insertion loss. In addition,
please keep RF part and antenna from the system crystal and the audio part in host board as far as
possible to reduce possible RF interference due to GSM transmission bursts from antenna and RF
trace.
M10 module include the following major functional parts:
� The GSM baseband part
� Flash and SRAM
� The GSM radio frequency part
� The SMT pads interface
—LCD interface
—SIM card interface
—Audio interface
—Key-board interface
—UART interface
—Power supply
—RF interface

Figure 1: Pin assignment






3.2. Placement recommendation
The analog part components such as microphone should be placed far away from antenna and
power supply. General placement recommendation is shown in Figure 2.
Power
Supply
Module
LCD
Interface
SIM
Interface
Pwrkey&Audio Interface
Keypad
Interface
UART Interface Power
Antenna
Audio Part Keypad Part
Digital Part & Other Part
RF
Figure 2: Recommendation of placement
3.3. Placement clearance
The module mounts with 64 SMT pads. For easy maintenance of this module and accessing to
these pads, please keep a distance no less than 3mm between M10 and other components.

Figure 3: Placement clearance

4. Digital I/O Connection
If the voltage level of peripheral interface circuit does not match module interface, the power
consumption of the system could increase, and could even cause the module damaged.
Each digital I/O of the module operates in a 2.8V logic level inside the module. The voltage
level of those digital interfaces connected to the module should match the electrical
characteristics of the module listed in Table 2. Otherwise, a level shifter circuit must be
inserted between the host and the module.
Table 1: Digital I/O electrical characteristics
SYMBOL
MIN
MAX
UNITS
VIL
0
0.67
V
VIH
1.7
3.1
V
VOL
0
0.34
V
VOH
2.0
2.8
V
For direct connection between I/Os, please pay attention to I/Os’ input or output configuration.
If the I/O direction configuration conflicts with each other, the power consumption could
increase, and the module could be very hot, and even be damaged. For example, it is forbidden
that user’s I/O outputs a low level while module’s connected I/O outputs a high level.

5. VDD_EXT Pin
This pin is a power supply from a regulator inside the module which can supply current of about
20mA. Customer can also use this pin to judge whether the module is off or not. When the module
is turned off, the VDD_EXT pin will change from high level to low level.

6. Serial Interface and Debug Interface
The TXD and RXD pins should be connected to host MCU. The DTR pin should be controlled to
trigger SLEEP mode or wakeup the module. The RTS and CTS pins should be connected to the
host MCU if hardware flow control is required.
The TXD, RXD, PWRKEY and GND pins can also be used for software upgrade and high-level
acoustic parameters configuration. The DBG_TXD and DBG_RXD pins are only used for
software debug. Please note that the PWRKEY pin should be pulled to low level when the M10 is
being upgraded. For more detailed information on serial port design, please refer to document [2]
Notes: It’s recommended to connect the pins necessary for firmware upgrade to external interface.

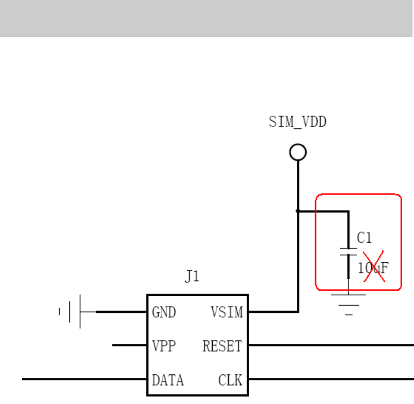
7. SIM Card
As shown in Figure 4, connecting a large volume capacitor such as 10uF in the SIM_VDD line
could lead to failure of detecting the SIM card. A capacitor between 100nF and 1uF is
recommended.
Figure 4: Circuit of the SIM card

8. SLEEP Mode
The command AT+CSCLK can enable or disable SLEEP mode. When the SLEEP mode is
enabled, pulling the DTR pin to high level would drive the module into SLEEP mode; and pulling
the DTR pin to low level the module would exit from SLEEP mode.

9. Audio Trace
If possible, the audio trace should be placed in inner layer, and shielded by ground in the same layer
and the upper and lower adjacent layers to prevent from RF interference. In addition, it is
recommended to add as many via as possible between ground layers so as to reduce RF noise.
The AGND signal is usually used for AOUT2 channel to establish a single-end output with
SPK2P. Do not pair GND with SPK2P to establish an audio output, otherwise TDD (Time
Division Duplex) noise from power supply could occur in AOUT2.
Figure 5: Audio trace routing example

10. RF Design Guide
Correct RF design is essential for RF performance such as transmitting power, receiving
sensitivity and harmonics. Following this RF design guide could benefit to improve the RF
performance of customer’s product.
10.1. Recommended Impedance Matching Circuit
The impedance of M10’s RF_ANT port is 50Ω. If the impedance of antenna is close to 50Ω in all
working frequency bands, the antenna could be connected to the RF_ANT port directly via 50Ω
transmission line. But if the impedance of antenna is not close to 50Ω, a T-type or π-type
matching circuit should be inserted between transmission line and antenna. The matching
components should be placed as close as possible to the antenna’s feed point.
Figure 6 and Figure 7 show the reference designs of T-type and π-type matching circuits.
Figure 6: T-type matching circuit
Figure 7: π-type matching circuit

NOTE: The impedance of traces in Bold type must be 50Ω.
10.2. Matched RF Transmission Line Design
In PCB layout, a matched RF transmission line has a fixed characteristic impedance, which is called
Z0, from its source to its load. The source should have an internal resistance of Z0 and the
resistance of matching load should close to Z0.
Since the impedance of M10’s RF_ANT port is 50Ω, the impedance of the RF transmission line
from this port to the antenna or the matching circuit should also be made to 50Ω.
More than twelve different types of transmission line can be created on a PCB simply by controlling
trace geometry, and some of them are shown in Figure 8.
Figure 8: M10 RF_ANT PCB layout
Customer may adopt one or certain types of them to design RF trace. Upon the demand of
application design, the number of PCB layer can be different such as two and four. Each type of
PCB has corresponding “stack-up”. The “stack-up” is the name given to the order of the various
etched copper foil and dielectric layers that are laminated together under pressure and heat to make
a PCB.
10.3. PCB Layout Consideration
PCB Layout is essential to the performance of customer’s product. Here are some rules that should
be followed:
Impedance control
Control the impedance of RF trace as close as possible to 50Ω. If the thickness between
RF_ANT pad and the ground layer is less than 0.4mm, it could significantly decrease the
output power. Therefore, when they are too close, we strongly suggest removing the copper in
the layer beneath the RF_ANT pad. If RF trace routes to another layer, add GND via along
with it to keep GND integral. The clearance between RF trace and ground plane in same layer
should be at least twice the RF trace width.
Make RF trace as short as possible
Place the module and the matching circuit near the antenna pad. Shorten the length of RF
trace. Place the antenna PAD in the corner or at the edge of host board.
Protect RF trace
Avoid placing noise generating traces such as digital signal or clock line near RF trace in the
same layer. Carefully route other traces in the layers adjacent to the RF trace, remember not to
route in parallel with the RF trace. If possible, keep those traces far away from the RF trace.
An RF test point is located at the bottom side of M10 for manufacture purpose. The copper
which is close to this test point in the top layer of customer’s host board must be kept out or
removed. No signal trace should be placed in the top layer and the second layer beneath this
test point.
Insert a picture.
Customer can use either antenna PAD or RF connector to connect the antenna.
If antenna PAD is adopted, Figure 9 is a reference design for a four-layer PCB. Make the
space on all layers beneath antenna pad keep-out. Place a ground PAD near the antenna PAD.
The distance between GND PAD and antenna PAD can be around 1.8mm. The size of
antenna PAD can be 1.8mm*1.8mm, and the GND PAD should be a little bigger, e.g.
2.5mm*2.5mm. Add several GND via near or on the GND PAD to reduce impedance from
the GND PAD to the RF reference ground.

Layer3
L2 under ANT
PAD
L2 under RF
PAD
L3 under ANT
PAD
Layer2
Layer4
L4 under ANT
PAD
Layer1
Under RF
TEST point
RF PAD
ANT PAD
GND PAD
Matching
Figure 9: Reference PCB design with antenna pad in a four-layer PCB
If RF connector is adopted, place the RF connector close to module RF_ANT, and add several
ground via close to the GND PAD of RF connector. Figure 10 is the reference PCB design.

Layer2
Layer4
Layer1
Layer3
Matching
RF
connector
Under RF
TEST point
RF PAD
Under RF
connector
Under RF
PAD
Figure 10: Reference PCB design with RF connector in a four-layer PCB
The stack-up of the four-layer PCB is shown in Figure 11.
Figure 11: Stack-up of the four-layer PCB

11. The Recommended Ramp-soak-spike Reflow Profile
Figure 12: The recommended ramp-soak-spike reflow p rofile

FCC Statement
Any Changes or modifications not expressly approved by the party responsible for compliance could void
the user’s authority to operate the equipment.
FCC RF exposure statement:
This equipment complies with FCC radiation exposure limits set forth for an uncontrolled environment. This
equipment should be installed and operated with minimum distance 20cm between the radiator& your
body.This transmitter must not be co-located or operating in conjunction with any other antenna or transmitter.
FCC Label Instructions
The outside of final products that contains this module device must display a label referring to the enclosed
module. This exterior label can use wording such as: “Contains Transmitter Module
FCC ID: YQD-M10" or “Contains FCC ID: YQD-M10” Any similar wording that expresses the same meaning
may be used.
