Synapse Wireless RF200A 2.4GHz Pluggable RF Engine User Manual FCC Part 15
Synapse Wireless Inc. 2.4GHz Pluggable RF Engine FCC Part 15
Manual

3998 FAU Blvd. Suite 310 Boca Raton, FL 33431 Tel: 561-961-5585 Fax: 561-961-5587
Certification Exhibit
FCC ID: U9O-RF200A
IC: 7084A-RF200A
FCC Rule Part: 15.247
IC Radio Standards Specification: RSS-210
ACS Project Number: 13-2096
Manufacturer: Synapse Wireless, Inc.
Model: RF200A
User Manual

DATA SHEET
DATA SHEETDATA SHEET
DATA SHEET
RF Engine
®
200A Series
Model Number: RF200A
Part Numbers: RF200APD1 and
RF200APF1
Document Revision v2.0
© 2013 Synapse, All Rights Reserved
All Synapse products are patented or patent pending
Specifications are subject to change without notice – confirm that data is current
Synapse, the Synapse logo, SNAP, and Portal are all registered trademarks of
Synapse Wireless, Inc.
500 Discovery Drive
Huntsville, Alabama 35806
877-982-7888
Doc # 430133-01D
Model RF200A Data Sheet · Document Number 430133-01D · Page 2 of 15
©2013 Synapse Wireless, Inc. · 500 Discovery Drive, Huntsville, AL 35806 · 256-852-7888 · synapse-wireless.com

Model RF200A Data Sheet · Document Number 430133-01D · Page 3 of 15
©2013 Synapse Wireless, Inc. · 500 Discovery Drive, Huntsville, AL 35806 · 256-852-7888 · synapse-wireless.com

Model RF200A Data Sheet · Document Number 430133-01D · Page 4 of 15
©2013 Synapse Wireless, Inc. · 500 Discovery Drive, Huntsville, AL 35806 · 256-852-7888 · synapse-wireless.com
Table of Contents
1.0 RF200APD1/RF200APDF1 OEM Module Overview 5
1.1 Specifications 6
1.2 Module Pin Definitions 7
1.3 Electrical Characteristics 8
1.4 Mechanical Drawings 9
1.5 Board Mounting Configurations 9
1.6 Ordering Information 10
2.0 Agency Certifications 10
2.1 United States (FCC) 10
2.1.1 OEM Labeling Requirements 11
2.1.2 FCC Notices 11
2.1.3 FCC Approved Antennas 12
2.2 Canada (IC) 13
2.2.1 OEM Labeling Requirements 14

Model RF200A Data Sheet · Document Number 430133-01D · Page 5 of 15
©2013 Synapse Wireless, Inc. · 500 Discovery Drive, Huntsville, AL 35806 · 256-852-7888 · synapse-wireless.com
1.0 RF Engine 200A Series
OEM Modules Overview
The RF Engine 200A Series (Model Number RF200A) is an IEEE 802.15.4, low power,
highly-reliable solution to embedded wireless control and monitoring network needs that
require high data rates. The RF200A embeds Synapse’s SNAP OS, the industry’s first
Internet-enabled, wireless mesh network operating system into the Atmel
ATmega128RFA1 single-chip AVR® microcontroller with an integrated transceiver that
delivers up to 2Mbits/sec. These low-cost modules can have a range of up to three
miles and power consumption as low as 1.4 µA to enable a new generation of battery-
driven systems.
SNAP’s on-board Python interpreter provides for rapid application development and
over-the-air programming, while Atmel’s low-power RF single-chip design saves board
space and lowers the overall Bill of Materials and power consumption. The RF200A is
approved as an FCC Part 15 unlicensed, modular, transmitter. The modules provide up
to 16 channels of operation in the ISM 2.4GHz frequency band. The RF200A module
contains both a power amplifier for transmission and a low noise amplifier in the receive
path for extended range.
This Data Sheet details Part Numbers RF200APD1 and RF200APF1:
• 20 GPIO and up to 7 A/D inputs
• 128k flash, 58.5k free for over-the-air uploaded user apps
• Two UART ports for control or transparent data which
surmounts noisy environments
• Low power modes: 1.5 µA with internal timer running
• Spread spectrum (DSSS) technology
• Socket-able or solder-able
• Up to 2 Mbps Data Rate
• 2.4 GHz RF Frequency
• Spread Spectrum (DSSS) technology
• Receive Amplifier (12.5 dBm) standard
• Transmit amplifier (18.76 dBm) for best-in-class range
• RF200APD1: SMA antenna (2 miles LoS at 250Kbps)
• RF200APF1: F-Antenna (2 miles LoS at 250Kbps)

Model RF200A Data Sheet · Document Number 430133-01D · Page 6 of 15
©2013 Synapse Wireless, Inc. · 500 Discovery Drive, Huntsville, AL 35806 · 256-852-7888 · synapse-wireless.com
Figure 1.0 Block diagram showing the major subsystems comprising the RF200A
1.1 Specifications
Table 1.0. RF200APD1 / RF200APF1 Specifications
Performance
Outdoor LOS Range
Up to 2 miles at 250 Kbps
Transmit Power Output
18.76 dBm
RF Data Rate
250Kbps, 500Kbps, 1Mbps, 2Mbps
Receiver Sensitivity
-103 dBm (1% PER)
Power Requirements
Supply Voltage
2.7 - 3.6 V
Transmit Current (Typ@3.3V)
92mA
Idle/Receive Current (Typ@3.3V)
23mA
Power-down Current (Typ@3.3V)
1.4uA
General
Frequency
ISM 2.4 GHz
Spreading Method
Direct Sequence (DSSS)
Modulation
O-QPSK
Dimensions
1.333" x 1.333"
Operating Temperature
- 40 to 85 deg C.
Antenna Options
RF200
A
PD1:
External RPSMA
RF200
A
PF1:
F- antenna
Networking
Topology
SNAP
Error Handling
Retries and acknowledgement
Number of Channels
16
Available I/O UARTS with HW Flow Control
2 Ports - 8 total I/O
GPIO
20 total; 7 can be analog-in with 10bit ADC
Agency Approvals
FCC Part 15.247
FCC ID: U9O-RF200A
Industry Canada (IC)
IC: 7084A-RF200A
CE available as a custom part. Call 1-877-982-7888.

Model RF200A Data Sheet · Document Number 430133-01D · Page 7 of 15
©2013 Synapse Wireless, Inc. · 500 Discovery Drive, Huntsville, AL 35806 · 256-852-7888 · synapse-wireless.com
1.2 Module Pin Definitions
Table 1.1. RF200APD1 / RF200APF1 Module Pin Assignments
Pin
Name
Description
1 GND
Power Supply
2 GPIO0/OC0A/OC1C/PCINT7/PB7
GPIO_0, PWM, or Interrupt
3 GPIO1/OC1B/PCINT6/PB6
GPIO_1, PWM, or Interrupt
4 GPIO2/OC1A/PCINT5/PB5
GPIO_2, PWM, or Interrupt
5 GPIO3/RXD0/PCINT8/PE0
GPIO_3, Interrupt, or UART0 Data Input
6 GPIO4/TXD0/PE1
GPIO_4, UART0 Data Output
7 GPIO5/OC3B/INT4/PE4
GPIO_5, PWM, Interrupt, or UART0 CTS Output
8 GPIO6/OC3C/INT5/PE5
GPIO_6, PWM, Interrupt, or UART0 RTS Input
9 GPIO7/RXD1/INT2/PD2
GPIO_7, Interrupt, or UART1 Data Input
10 GPIO8/TXD1/INT3/PD3
GPIO_8, Interrupt, or UART1 Data Output
11
GPIO9/ICP1/PD4
GPIO_9, or UART1 CTS Output
12 GPIO10/ICP3/INT7/CLK0
GPIO_10, Interrupt, Clock Output, or UART1 RTS Input
13 GPIO11/ADC0/PF0
GPIO_11, or Analog In
14 GPIO12/ADC1/PF1
GPIO_12, SPI MOSI, or Analog In
15 GPIO13/ADC2/DIG2/PF2
GPIO_13, SPI SCLK, Antenna Diversity, or Analog In
16 GPIO14/XCK0/AIN0/PE2
GPIO_14, SPI MISO, USART CLK, Analog Comparator, or
Analog In
17 GPIO15/ADC4/TCK/PF4
GPIO_15, JTAG TCK, or Analog In
18 GPIO16/ADC5/TMS/PF5
GPIO_16, JTAG TMS, or Analog In
19 GPIO17/ADC6/TDO/PF6
GPIO_17, JTAG TDO, I2C SDA, or Analog In
20 GPIO18/ADC7/TDI/PF7
GPIO_18, JTAG TDI, I2C SCL, or Analog In
21 VCC
Power Supply
22 GPIO19/OC3A/AIN1/PE3
GPIO_19, PWM, Analog Comparator
23 RESET
Module Reset, Active Low
24 GND
Power Supply

Model RF200A Data Sheet · Document Number 430133-01D · Page 8 of 15
©2013 Synapse Wireless, Inc. · 500 Discovery Drive, Huntsville, AL 35806 · 256-852-7888 · synapse-wireless.com
1.3 Electrical Characteristics
Table 1.2. RF200APD1 / RF200APF1 DC Characteristics
Symbol
Parameter
Condition
Min
Typ
1
Max
Units
V
CC
2
Supply Voltage 2.7 3.3 3.6 V
T
OP
Operating Temp -40 85 °C
V
IH
Input Hi Voltage All Digital Inputs V
CC
- 0.4 V
V
IL
Input Low Voltage All Digital Inputs 0.4 V
V
OL
Output Low Voltage All drive strengths
(2,4,6,8 mA)
0.4 V
V
OH
Output High Voltage All drive strengths
(2,4,6,8 mA) V
CC
- 0.4 V
IL
IN
In Leakage Current V
IN
=V
CC
or V
SS
, all Pins TBD uA
TX-I
CC
Transmit Current V
CC
= 3.3V 80 mA
RX-I
CC
Receive Current 20 mA
SHDN-I
CC
Sleep Current V
CC
= 3.3V 1.4 1.5 uA
1
All typical specifications are measured at 25°C.
2
Absolute maximum stress rated voltage for VCC is -0.3 to 3.6. It is recommended that a bulk decoupling capacitor (47 uF
tantalum rated at 6.3volts) be located close to the VCC pin 21 of the RF200A connector on host board.
Table 1.3. ADC Electrical Characteristics (Operating)
Symbol
Parameter
Condition
Min
Typical
Max
Unit
V
REFH3
Voltage Reference,
High Programmable 1.5 1.6 1.8 V
V
INDC
Analog input voltage Single Ended 0 1.8 V
Differential
4
0 3.3
3
V
REFH
is programmable to three fixed values; 1.5V, 1.6V, and 1.8V. The default is 1.6V.
4
Each differential analog input may be as high as 3.3V but the differential voltage is still limited.
Table 1.4. ADC Timing/Performance Characteristics
Symbol
Parameter
Condition
Min
Typical
Max
Unit
R
AS
Source impedance at input
5
3k kΩ
RES Conversion Resolution
Single Ended
CLKADC <=
4MHz
10
Bits
Single Ended
CLKADC >
8MHz
8
DNL Differential non-linearity V
REFH = 1.6V
CLKADC=4MHz
-0.5 LSB
INL Integral non-linearity V
REFH = 1.6V
CLKADC=4MHz
0.8 LSB
E
ZS
Zero-scale error 1.5 LSB
E
G
Gain error 1 LSB
5
Any analog source with a source impedance greater the 3kΩ will increase the sampling time.

Model RF200A Data Sheet · Document Number 430133-01D · Page 9 of 15
©2013 Synapse Wireless, Inc. · 500 Discovery Drive, Huntsville, AL 35806 · 256-852-7888 · synapse-wireless.com
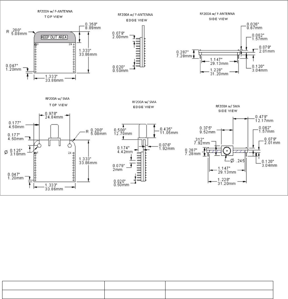
1.4 Mechanical Drawings
These drawings in Figure 1.1 show the module with the RPSMA connector for use with
an external antenna, and the keep put area for the F-antenna. There should be no
copper, components, or fasteners on any layer of the host board beneath the keep out
area.
Figure 1.1 Mechanical drawings of the RF200APD1 and RF200APF1 Modules
1.5 Board Mounting Configurations
The RF200PD1 and RF200PF1 modules are designed to mount into a receptacle
(socket) on the host board. Picture 1.1 shows an RF200PD1 module plugged in to a
host board. The receptacle sockets are on standard 2mm centers. Suggested
receptacles to be used on the host are:
Thru-hole receptacle Samtec MMS-112-01-L-SV
Surface mount receptacle Samtec MMS-112-02-L-SV
It is recommended that the mounting holes provided in the module on either side of the
SMA connector be used with supporting mounting hardware to hard mount the module

Model RF200A Data Sheet · Document Number 430133-01D · Page 10 of 15
©2013 Synapse Wireless, Inc. · 500 Discovery Drive, Huntsville, AL 35806 · 256-852-7888 · synapse-wireless.com
to either the host board or to the enclosure to handle the mechanical stresses that can
occur when an external antenna is screwed into the SMA. Picture 1.1 shows the
RF200PD1 with RPSMA connector mounted to the host board.
1.6 Ordering Information
Part Number Description
RF200APD1 802.15.4 Wireless Module with RPSMA connector
RF200APF1 802.15.4 Wireless Module with PCB Inverted-F Antenna
Host Board RF200APD1 Mounted
Picture 1.1 RF200APD1 Mounted To Host Board
2.0 Agency Certifications
2.1 United States (FCC)
The Model RF200A modules comply with Part 15 of the FCC rules and regulations.
Compliance with the labeling requirements, FCC notices and antenna usage guidelines
is required. In order to comply with FCC Certification requirements, the Original
Equipment Manufacturer (OEM) must fulfill the following requirements.

Model RF200A Data Sheet · Document Number 430133-01D · Page 11 of 15
©2013 Synapse Wireless, Inc. · 500 Discovery Drive, Huntsville, AL 35806 · 256-852-7888 · synapse-wireless.com
1. The system integrator must place an exterior label on the outside of the final
product housing the RF200A Modules. Figure 2.1 below shows the contents that
must be included in this label.
2. RF200A Modules may only be used with the antenna that has been tested and
approved for use with the module. Please refer to the antenna table provided in
this section.
2.1.1 OEM Labeling Requirements
NOTICE:
The OEM must make sure that FCC labeling requirements are met. This
includes a clearly visible exterior label on the outside of the final product housing that
displays the contents shown in Figure 2.1 below.
Figure 2.1 FCC Label
2.1.2 FCC Notices
WARNING: The RF200A modules have been tested by the FCC for use with other
products without further certification (as per FCC Section 2.1091). Changes or
modifications to this device not expressly approved by Synapse Wireless Inc. could void
the user’s authority to operate the equipment.
NOTICE: OEM’s must certify final end product to comply with unintentional radiators
(FCC Section 15.107 and 15.109) before declaring compliance of their final product to
Part 15 of the FCC Rules.
NOTICE: The RF200A modules have been certified for remote and base radio
applications. If the module will be used for portable applications, the device must
undergo SAR testing.
This equipment has been tested and found to comply with the limits for a Class B digital
device, pursuant to Part 15 of the FCC Rules. These limits are designed to provide
MANUFACTURERS NAME
BRAND NAME or TRADE NAME
Contains RF200A FCC ID: U9O-RF200A
This device complies with Part 15 of the FCC Rules. Operation is subject to the following
two conditions: (1) This device may not cause harmful interferences, and (2) this device
must accept any interference received, including interference that may cause undesired
operation.

Model RF200A Data Sheet · Document Number 430133-01D · Page 12 of 15
©2013 Synapse Wireless, Inc. · 500 Discovery Drive, Huntsville, AL 35806 · 256-852-7888 · synapse-wireless.com
reasonable protection against harmful interference in a residential installation. This
equipment generates, uses, and can radiate radio frequency energy and, if not installed
and used in accordance with the instructions, may cause harmful interference to radio
communications. However, there is no guarantee that interference will not occur in a
particular installation.
If this equipment does cause harmful interference to radio or television reception, which
can be determined by turning the equipment off and on, the user is encouraged to try to
correct the interference by one or more of the following measures:
• Reorient or relocate the receiving antenna.
• Increase the separation between the equipment and receiver.
• Connect the equipment into an outlet on a circuit different from that to which the
receiver is connected.
• Consult the dealer or an experienced radio/TV technician for help.
2.1.3 FCC Approved Antennas
The RF200A modules are FCC-approved for fixed base station and mobile applications.
The FCC requirement for mobile applications states that the antenna must be mounted
at least 20 cm (8 in) from nearby persons.
Notice: To reduce potential radio interference to other users, the antenna type and its
gain should be chosen so that the equivalent isotropically radiated power (e.i.r.p.) is not
more than that permitted for successful communication. The RF200PD1 module has
been designed to operate with the antennas listed below in Table 2.1. The required
antenna impedance is 50 ohms. The RF200APF1 has a built-in F-antenna.
Table 2.1. Approved FCC Antennas
Part
Number
Type Gain Application
Min.
Separation
For Use On
Pulse W1027 Dipole (quarter-wave
RPSMA)
3.2 dBi Fixed/Mobile 20 cm RF200APD1
N/A Inverted-F 0dBi Fixed/Mobile 20 cm RF200PF1

Model RF200A Data Sheet · Document Number 430133-01D · Page 13 of 15
©2013 Synapse Wireless, Inc. · 500 Discovery Drive, Huntsville, AL 35806 · 256-852-7888 · synapse-wireless.com
Recommended Antenna (RF200APD1):
RF Exposure WARNING: This equipment complies with FCC radiation exposure
limits set forth for an uncontrolled environment. This equipment should be installed and
operated with minimum distance 20cm between the radiator and your body. This
transmitter must not be co-located or operating in conjunction with any other antenna or
transmitter.
NOTICE: The preceding statement must be included as a CAUTION statement in OEM
product manuals in order to alert users of FCC RF Exposure compliance.
2.2 Canada (IC)
This device complies with Industry Canada license-exempt RSS standard(s). Operation
is subject to the following two conditions: (1) this device may not cause interference,
and (2) this device must accept any interference, including interference that may cause
undesired operation of the device.

Model RF200A Data Sheet · Document Number 430133-01D · Page 14 of 15
©2013 Synapse Wireless, Inc. · 500 Discovery Drive, Huntsville, AL 35806 · 256-852-7888 · synapse-wireless.com
Le présent appareil est conforme aux CNR d'Industrie Canada applicables aux appareils radio
exempts de licence. L'exploitation est autorisée aux deux conditions suivantes : (1) l'appareil ne
doit pas produire de brouillage, et (2) l'utilisateur de l'appareil doit accepter tout brouillage
radioélectrique subi, même si le brouillage est susceptible d'en compromettre le fonctionnement.
Under Industry Canada regulations, this radio transmitter may only operate using an
antenna of a type and maximum (or lesser) gain approved for the transmitter by Industry
Canada. To reduce potential radio interference to other users, the antenna type and its
gain should be so chosen that the equivalent isotropically radiated power (e.i.r.p.) is not
more than that necessary for successful communication.
Conformément à la réglementation d'Industrie Canada, le présent émetteur radio peut fonctionner
avec une antenne d'un type et d'un gain maximal (ou inférieur) approuvé pour l'émetteur par
Industrie Canada. Dans le but de réduire les risques de brouillage radioélectrique à l'intention des
autres utilisateurs, il faut choisir le type d'antenne et son gain de sorte que la puissance isotrope
rayonnée équivalente (p.i.r.e.) ne dépasse pas l'intensité nécessaire à l'établissement d'une
communication satisfaisante.
This radio transmitter Model: RF200A, IC: 7084A-RF200A has been approved by
Industry Canada to operate with the antenna types listed below with the maximum
permissible gain and required antenna impedance for each antenna type indicated.
Antenna types not included in this list, having a gain greater than the maximum gain
indicated for that type, are strictly prohibited for use with this device.
Le présent émetteur radio Model: RF200, IC: 7084A-RF200A a été approuvé par Industrie
Canada pour fonctionner avec les types d'antenne énumérés ci-dessous et ayant un gain
admissible maximal et l'impédance requise pour chaque type d'antenne. Les types d'antenne non
inclus dans cette liste, ou dont le gain est supérieur au gain maximal indiqué, sont strictement
interdits pour l'exploitation de l'émetteur.
Table 2.2. Approved IC Antennas
Part
Number
Type Gain Application
Min.
Separation
For Use On
Pulse W1027 Dipole (quarter-wave
RPSMA)
3.2 dBi Fixed/Mobile 20 cm RF200APD1
N/A Inverted-F 0dBi Fixed/Mobile 20 cm RF200PF1
2.2.1 OEM Labeling Requirements
Labeling requirements for Industry Canada are similar to those of the FCC. A clearly
visible label on the outside of the final product housing must display the contents shown
in Figure 2.2 below.

Model RF200A Data Sheet · Document Number 430133-01D · Page 15 of 15
©2013 Synapse Wireless, Inc. · 500 Discovery Drive, Huntsville, AL 35806 · 256-852-7888 · synapse-wireless.com
Figure 2.2 IC Label
NOTE: The OEM can choose to implement a single label combined for both FCC and
IC labeling requirements. If a combined single label is chosen, there must be a clearly
visible label on the outside of the final product housing displaying the contents shown in
Figure 2.3 below.
Figure 2.3 Combined FCC and IC Label
MANUFACTURERS NAME
BRAND NAME or TRADE NAME
MODEL: RF200A
Contains IC: 7084A-RF200A
MANUFACTURERS NAME
BRAND NAME or TRADE NAME
Contains FCC ID: U9O-RF200A
Contains IC: 7084A-RF200A
This device complies with Part 15 of the FCC Rules. Operation is subject to the
following two conditions: (1) This device may not cause harmful interferences, and (2)
this device must accept any interference received, including interference that may cause
undesired operation.